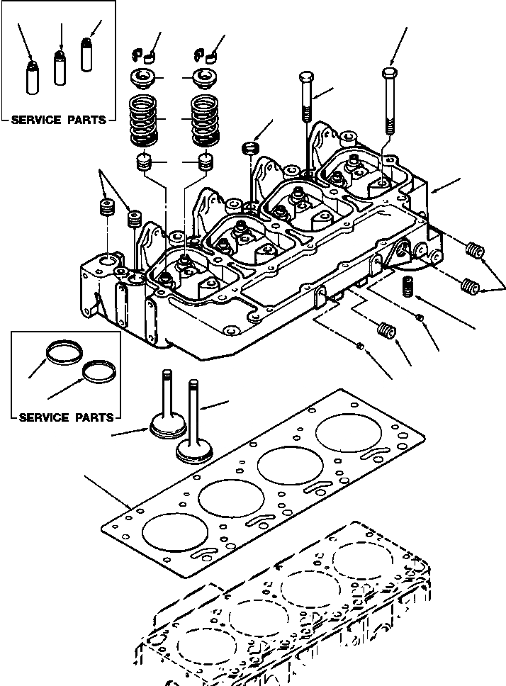
Запчасти Komatsu WA120-1LC ГОЛОВКА ЦИЛИНДРОВ ГОЛОВКА ЦИЛИНДРОВ

Схема запчастей Komatsu WA120-1LC - ГОЛОВКА ЦИЛИНДРОВ ГОЛОВКА ЦИЛИНДРОВ
20
8
12
2
6
11
6
3
5
5
9
7
13
10
16
4
1
15
19
21
17
18
14
FIT
1:1
100%

Артикул

Название

Примечание

Количество

1

1295 764 H91

HEAD ASSEMBLY, CYLINDER

1шт.

2

1240 200 H1

PLUG, EXPANSION

3шт.

3

ADAPTER, FUEL FILTER (SEE PG E4-006)

-29шт.

4

1239 159 H1

PLUG, PIPE

1шт.

5

1240 370 H1

PLUG, PIPE

2шт.

6

1239 159 H1

PLUG, PIPE

4шт.

7

1240 104 H92

KIT, INTAKE VALVE

4шт.

8

1240 127 H1

COLLET, VALVE

16шт.

9

1240 105 H92

KIT, EXHAUST VALVE

4шт.

10

1240 127 H1

COLLET, VALVE

16шт.

11

1240 164 H2

SEAL, VALVE

8шт.

12

1240 131 H1

SPRING, VALVE

8шт.

13

1240 132 H1

RETAINER, VALVE SPRING

8шт.

14

1240 783 H3

GASKET, CYLINDER HEAD - STD

2шт.

15

1294 508 H2

BOLT

10шт.

16

1294 507 H2

BOLT

4шт.

17

1240 668 H1

INSERT, VALVE EXHAUST

-2шт.

18

1240 779 H1

INSERT, VALVE INTAKE

-2шт.

19

1240 677 H1

GUIDE, INTAKE VALVE

-2шт.

20

1240 678 H1

GUIDE, EXHAUST VALVE

-2шт.

21

1240 763 H1

GUIDE, VALVE

-2шт.

|$21

1295 467 H2

GASKET, CYLINDER HEAD - 0.15MM OS

1шт.

|$22

1240 785 H3

GASKET, CYLINDER HEAD - 0.50MM OS

1шт.

Выбрано товаров: 23