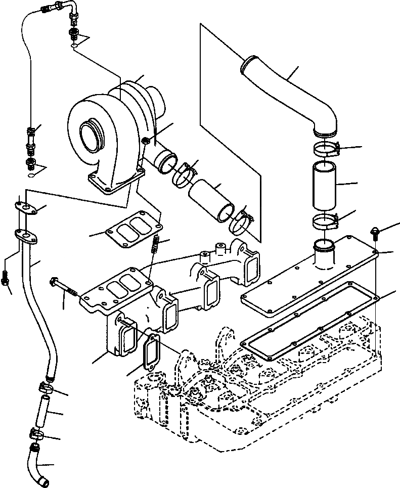
Запчасти Komatsu WA120-1LC ТУРБОНАГНЕТАТЕЛЬ ТРУБЫ & КРЕПЛЕНИЕ ГОЛОВКА ЦИЛИНДРОВ

Схема запчастей Komatsu WA120-1LC - ТУРБОНАГНЕТАТЕЛЬ ТРУБЫ & КРЕПЛЕНИЕ ГОЛОВКА ЦИЛИНДРОВ
17
12
1
4
16
14
17
13
13
14
19
11
2
3
8
18
10
20
7
5
6
9
15
9
21
14
14
FIT
1:1
100%

Артикул

Название

Примечание

Количество

1

TURBOCHARGER ASSEMBLY (SEE PG E1-012)

-29шт.

2

1240 576 H1

GASKET, TURBOCHARGER

1шт.

3

1240 549 H1

STUD

4шт.

4

1240 550 H1

NUT, HEX

4шт.

5

MANIFOLD, EXHAUST (SEE PG E1-008)

-29шт.

6

GASKET, EXHAUST MANIFOLD (SEE PG E1-008)

-29шт.

7

BOLT (SEE PG E1-008)

-29шт.

8

COVER, INTAKE MANIFOLD (SEE PG E1-016)

-29шт.

9

1239 969 H1

CLAMP, HOSE

2шт.

10

GASKET, INTAKE MANIFOLD (SEE PG E1-016)

-29шт.

11

BOLT (SEE PG E1-016)

-29шт.

12

1240 771 H1

TUBE, AIR

1шт.

13

1278 514 H1

HOSE, PLAIN

2шт.

14

1278 261 H1

CLAMP, HOSE

4шт.

15

1240 659 H1

HOSE

1шт.

16

1252 830 H1

TUBE, TURBO OIL DRAIN

1шт.

17

1282 066 H2

CONNECTOR, FEMALE (SEE PG E1-012)

-29шт.

|$17

1294 458 H1

O-RING

1шт.

18

1240 657 H1

TUBE, OIL DRAIN

1шт.

19

1241 287 H1

GASKET, OIL DRAIN

1шт.

20

1240 141 H1

BOLT

2шт.

21

1240 658 H1

TUBE, TURBO OIL

1шт.

Выбрано товаров: 22