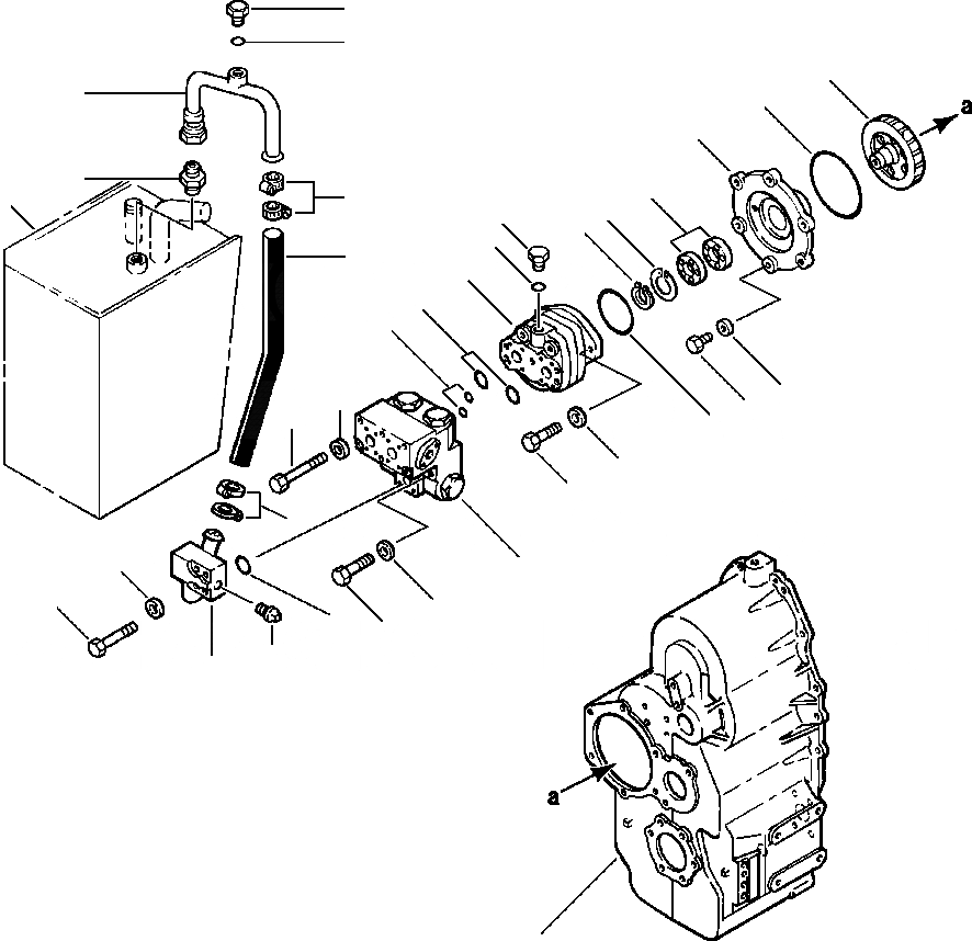
Запчасти Komatsu WA120-1LC GROUND ПРИВОДN ГИДРАВЛИКА РУЛ. УПРАВЛЕНИЯ РЕЗЕРВУАР - GROUND ПРИВОДN НАСОС РУЛЕВ. УПРАВЛ-Я РУЛЕВ. УПРАВЛЕНИЕ СИСТЕМА УПРАВЛЕНИЯ

Схема запчастей Komatsu WA120-1LC - GROUND ПРИВОДN ГИДРАВЛИКА РУЛ. УПРАВЛЕНИЯ РЕЗЕРВУАР - GROUND ПРИВОДN НАСОС РУЛЕВ. УПРАВЛ-Я РУЛЕВ. УПРАВЛЕНИЕ СИСТЕМА УПРАВЛЕНИЯ
22
23
31
2
30
27
1
26
33
4
25
17
24
18
3
16
11
12
29
15
28
13
19
21
20
4
9
10
8
15
7
14
6
5
32
FIT
1:1
100%

Артикул

Название

Примечание

Количество

1

417-875-1630

UNION

1шт.

2

417-875-1640

TUBE, HYDRAULIC TANK TO DIVIDER VALVE

1шт.

3

07260-02649

HOSE, HYDRAULIC TANK TO DIVIDER VALVE

1шт.

4

07281-00489

CLAMP, HOSE

4шт.

5

417-875-1271

TUBE, AT DIVIDER VALVE

1шт.

6

07042-00617

PLUG

1шт.

7

07000-03042

O-RING, BETWEEN TUBE AND DIVIDER VALVE

1шт.

8

01010-31055

BOLT, MOUNT TUBE TO DIVIDER VALVE

4шт.

9

01643-31032

WASHER

4шт.

10

DIVIDER VALVE (SEE PG 04-006)

-29шт.

11

07000-13040

O-RING, BETWEEN VALVE AND PUMP

2шт.

12

07000-02012

O-RING, BETWEEN VALVE AND PUMP

2шт.

13

01011-31045

BOLT, MOUNT DIVIDER VALVE

2шт.

14

01010-31085

BOLT, MOUNT DIVIDER VALVE

2шт.

15

01643-31032

WASHER

4шт.

16

PUMP, GROUND DRIVEN STEERING (SEE PG 04-002)

-29шт.

17

07040-12012

PLUG

1шт.

18

07002-02034

O-RING

1шт.

19

07000-02105

O-RING

1шт.

20

01010-31235

BOLT, MOUNT GROUND DRIVEN STEERING PUMP

2шт.

21

01643-31232

WASHER

2шт.

22

424-875-1680

PLUG

1шт.

23

20D-62-17150

O-RING

1шт.

24

04064-04018

RING, SNAP

1шт.

25

04065-06825

RING, SNAP

1шт.

26

06030-06008

BEARING, BALL

2шт.

27

417-15-14150

COVER, MOUNT PUMP TO TRANSMISSION CASE

1шт.

28

01010-31235

BOLT, MOUNT COVER

6шт.

29

01643-31232

WASHER

6шт.

30

07000-05200

O-RING

1шт.

31

419-15-14212

GEAR

1шт.

32

REAR TRANSMISSION CASE ASSEMBLY (SEE PG 02-018)

-29шт.

33

HYDRAULIC RESERVOIR TANK (SEE PG 06-006)

-29шт.

Выбрано товаров: 33