Запчасти Komatsu WA120-3 ГИДРОЛИНИЯ ТРАНСМИССИИ (ГИДРОТРАНСФОРМАТОР И ТРАНСМИССИЯ ЛИНИЯ) (ДЛЯ ЕС) ТРАНСМИССИЯ

Схема запчастей Komatsu WA120-3 - ГИДРОЛИНИЯ ТРАНСМИССИИ (ГИДРОТРАНСФОРМАТОР И ТРАНСМИССИЯ ЛИНИЯ) (ДЛЯ ЕС) ТРАНСМИССИЯ
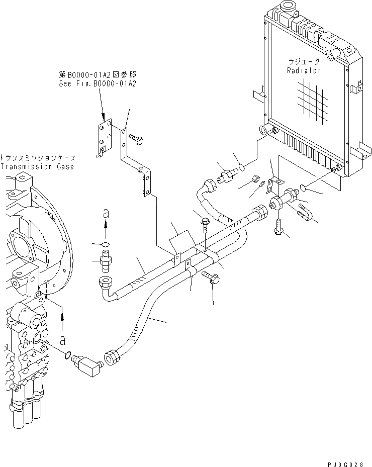
1
2
3
4
5
6
7
8
9
9
9
10
10
11
12
13
14
15
16
FIT
1:1
100%

Артикул

Название

Примечание

Количество

1

416-U47-2260

HOSE

SN: 53001-54231

1шт.

2

07230-20628

UNION

SN: 53001-54231

1шт.

3

07002-12434

O-RING

SN: 53001-54231

1шт.

4

416-16-21260

HOSE

SN: 53001-UP

1шт.

5

07230-20628

UNION

SN: 53001-UP

1шт.

6

07002-12434

O-RING

SN: 53001-UP

1шт.

7

416-16-21241

TUBE

SN: 53001-54231

1шт.

8

07002-12434

O-RING

SN: 53001-54231

1шт.

9

08036-93014

CLIP

SN: 53001-UP

4шт.

10

01435-01020

BOLT

SN: 53001-54231

2шт.

11

416-16-21181

BRACKET

SN: 53001-UP

1шт.

12

416-16-21250

PLATE

SN: 53001-54231

1шт.

13

01435-01025

BOLT

SN: 53001-54231

1шт.

14

07283-32738

CLIP

SN: 53001-54231

1шт.

15

01643-31032

WASHER

SN: 53001-54231

2шт.

16

01597-01009

NUT

SN: 53001-54231

2шт.

Выбрано товаров: 16