Качественные детали и логистика
Оригинальные и аналоговые запчасти с доставкой по России, Казахстану и Беларуси
©2022 PartSell ООО "Система" ИНН 2463123282 ОГРН 1212400004838
Центральный офис: г. Красноярск, Академика Киренского, д.87, пом.4
Телефон: 8 (800) 777-65-74 Email: zakaz@partsell.ru
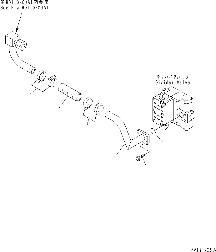
ГИДРОЛИНИЯ (БАК - DIVIDER КЛАПАН ЛИНИЯ) (С ЭКСТРЕНН. УПРАВЛ.)
№
Артикул
Название
Примечание
Количество
1
07260-03210
HOSE
SN: 53001-UP
1шт.
2
07281-00549
CLAMP
4шт.
3
417-875-2440
TUBE
4
07000-13042
O-RING
5
01435-01025
BOLT
Выбрано товаров: 0