Запчасти Komatsu WA120-3 ЗАДН. РАМА ОСНОВНАЯ РАМА И ЕЕ ЧАСТИ

Схема запчастей Komatsu WA120-3 - ЗАДН. РАМА ОСНОВНАЯ РАМА И ЕЕ ЧАСТИ
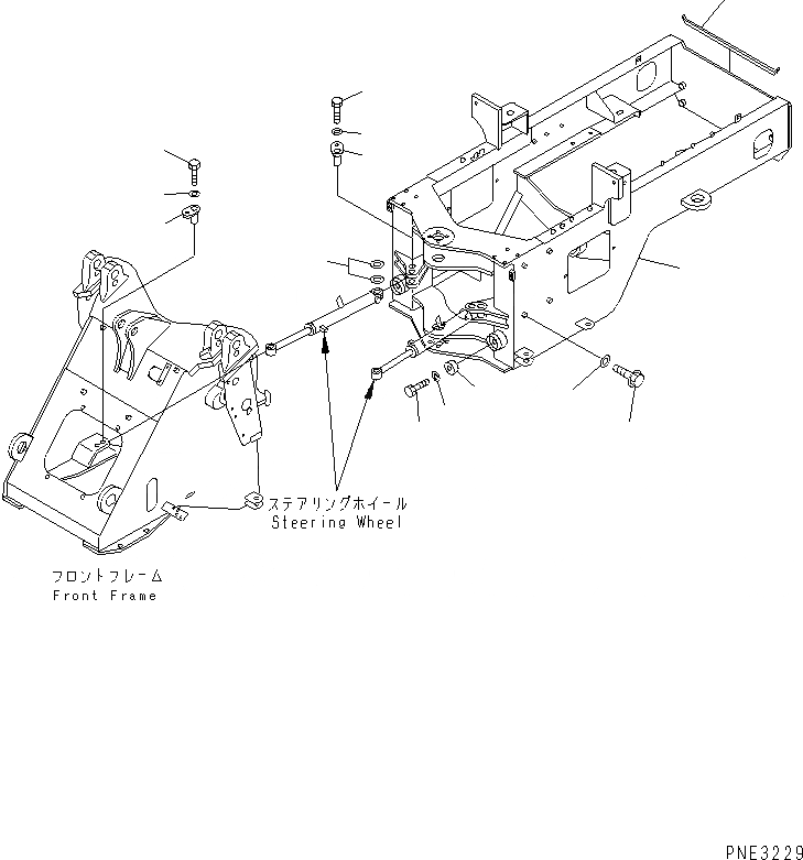
1
2
3
3
4
5
5
6
6
7
8
9
10
11
FIT
1:1
100%

Артикул

Название

Примечание

Количество

1

416-46-22252

FRAME,REAR

SN: 54009-UP

1шт.

1

416-46-22251

FRAME,REAR

SN: 53001-54008

1шт.

2

416-54-21120

SHEET

SN: 53001-UP

1шт.

3

416-46-12262

PIN

SN: 53001-UP

4шт.

4

416-46-12270

SHIM, 1.0MM

SN: 53001-UP

10шт.

5

01010-81220

BOLT

SN: 53001-UP

4шт.

6

175-54-34170

WASHER

SN: 53001-UP

4шт.

7

416-46-11210

BUMPER

SN: 53001-UP

2шт.

8

01010-81225

BOLT

SN: 53001-UP

2шт.

9

01643-31232

WASHER

SN: 53001-UP

2шт.

10

01643-31232

WASHER

SN: 53001-UP

4шт.

11

01435-01220

BOLT

SN: 53001-UP

4шт.

Выбрано товаров: 12