Запчасти Komatsu WA120-3 БЛОКИР. ШАНГА И КРЫШКА(ДЛЯ ПЕРЕДН. РАМА И ЗАДН. РАМА ) (С 3-Х СЕКЦ. КОНТР. КЛАПАНОМ) (ДЛЯ ЕС) ОСНОВНАЯ РАМА И ЕЕ ЧАСТИ

Схема запчастей Komatsu WA120-3 - БЛОКИР. ШАНГА И КРЫШКА(ДЛЯ ПЕРЕДН. РАМА И ЗАДН. РАМА ) (С 3-Х СЕКЦ. КОНТР. КЛАПАНОМ) (ДЛЯ ЕС) ОСНОВНАЯ РАМА И ЕЕ ЧАСТИ
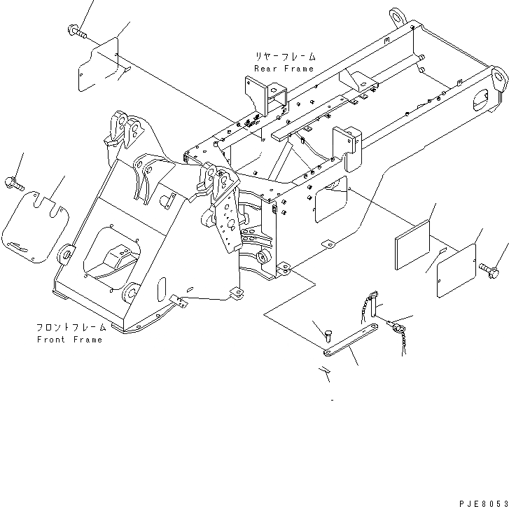
1
2
3
4
5
6
7
8
9
10
11
12
12
13
FIT
1:1
100%

Артикул

Название

Примечание

Количество

1

417-46-24140

BAR,LOCK

SN: 53001-UP

1шт.

2

416-46-12230

PIN

SN: 53001-UP

1шт.

3

04050-18055

PIN,COTTER

SN: 53001-UP

1шт.

4

421-46-12750

PIN,LINCH

SN: 53001-UP

1шт.

4

04050-15040

PIN,COTTER

SN: 53001-UP

1шт.

5

417-877-2220

COVER

SN: 53001-UP

1шт.

6

01435-01225

BOLT

SN: 53001-UP

4шт.

7

417-46-24120

COVER,L.H.

SN: 53001-UP

1шт.

8

416-54-21370

SHEET

SN: 54001-UP

1шт.

9

421-09-21420

SHEET

SN: 54001-UP

2шт.

10

417-875-2570

COVER,R.H.

SN: 53001-UP

1шт.

11

421-09-21420

SHEET

SN: 54095-UP

4шт.

11

421-09-21420

SHEET

SN: 54001-54094

2шт.

12

01435-01225

BOLT

SN: 53001-UP

4шт.

13

416-46-12220

PIN

SN: 53001-UP

1шт.

Выбрано товаров: 0