Запчасти Komatsu WA120-3 КЛАПАН УПРАВЛЕНИЯ ТРАНСМИССИЕЙ (/) (КРЕПЛЕНИЕ) (ДЛЯ -SPEED) ТРАНСМИССИЯ

Схема запчастей Komatsu WA120-3 - КЛАПАН УПРАВЛЕНИЯ ТРАНСМИССИЕЙ (/) (КРЕПЛЕНИЕ) (ДЛЯ -SPEED) ТРАНСМИССИЯ
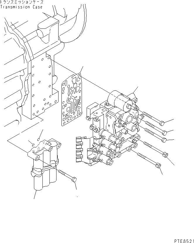
1
2
3
4
5
6
7
8
9
10
11
FIT
1:1
100%

Артикул

Название

Примечание

Количество

|$$1

SERIAL NO. IN ( ) INDICATES TRANSMISSION SERIAL NO.

-1шт.

|$5

714-11-10003

TRANSMISSION ASS'Y

SN: (68511)-UP

1шт.

|$6

714-11-10002

TRANSMISSION ASS'Y

SN: 53001-(68510)

1шт.

|$7

714-11-10043

TRANSMISSION ASS'Y,(FOR EMERGENCY STEERING)

SN: (68511)-UP

1шт.

|$8

714-11-10042

TRANSMISSION ASS'Y,(FOR EMERGENCY STEERING)

SN: 53001-(68510)

1шт.

|$$6

THESE ASSEMBLIES CONSISTS OF ALL PARTS SHOWN IN FIGS.F4350-51A1 TO F4350-69A1.

-1шт.

1

714-11-15031

VALVE ASS'Y

SN: (68611)-UP

1шт.

1

714-11-15030

CONTROL VALVE ASS'Y

SN: 53001-(68610)

1шт.

2

714-11-16920

GASKET,LOWER (K2)

SN: 53001-UP

1шт.

3

01011-81020

BOLT

SN: 53001-UP

4шт.

4

01011-81030

BOLT

SN: 53001-UP

2шт.

5

01011-81035

BOLT

SN: 53001-UP

2шт.

6

419-15-16680

BOLT

SN: 53001-UP

4шт.

7

419-15-15170

BOLT

SN: 53001-UP

1шт.

8

714-11-15600

VALVE ASS'Y,ACCUMULATOR

SN: 53001-UP

1шт.

9

01010-81070

BOLT

SN: 53001-UP

2шт.

10

07000-73025

O-RING (K2)

SN: 53001-UP

2шт.

11

07000-72014

O-RING (K2)

SN: 53001-UP

2шт.

Выбрано товаров: 18