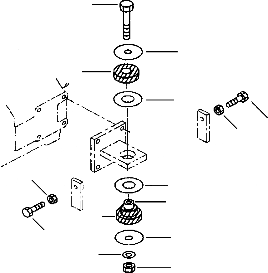
Запчасти Komatsu WA120-3L FIG NO. F8-A КРЕПЛЕНИЕ ТРАНСМИССИИ СИЛОВАЯ ПЕРЕДАЧА И КОНЕЧНАЯ ПЕРЕДАЧА

Схема запчастей Komatsu WA120-3L - FIG NO. F8-A КРЕПЛЕНИЕ ТРАНСМИССИИ СИЛОВАЯ ПЕРЕДАЧА И КОНЕЧНАЯ ПЕРЕДАЧА
5
4
3
12
10
11
11
6
2
1
7
10
9
8
FIT
1:1
100%

Артикул

Название

Примечание

Количество

|$0

416-01-21151

CUSHION ASSY, MOUNT

2шт.

1

NSS

CUSHION

1шт.

2

NSS

SPACER

1шт.

3

NSS

CUSHION

1шт.

4

419-01-11162

WASHER

2шт.

5

01011-62245

BOLT

2шт.

6

418-01-A1820

SPACER

2шт.

7

419-01-11162

WASHER

2шт.

8

01580-02218

NUT

2шт.

9

01643-32260

WASHER

2шт.

10

01016-51260

BOLT

4шт.

11

01584-01210

NUT

4шт.

12

417-70-11330

SHIM

2шт.

Выбрано товаров: 13