Запчасти Komatsu WA120-3L FIG NO. H-A ГИДРОЛИНИЯ ВСАСЫВ. И ЛИНИЯ ПОДАЧИS ГИДРАВЛИКА

Схема запчастей Komatsu WA120-3L - FIG NO. H-A ГИДРОЛИНИЯ ВСАСЫВ. И ЛИНИЯ ПОДАЧИS ГИДРАВЛИКА
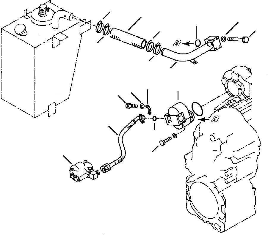
6
5
8
9
6
11
6
16
14
15
12
6
7
1
13
10
2
1
1
4
3
FIT
1:1
100%

Артикул

Название

Примечание

Количество

1

EQUIPMENT PUMP (SEE PG H-020)

-29шт.

2

07000-12105

O-RING

1шт.

3

01010-61235

BOLT

2шт.

4

01643-31232

WASHER

2шт.

5

07260-04725

HOSE

1шт.

6

690 098 C1

CLAMP

4шт.

7

417-62-A1410

TUBE

1шт.

8

07000-13035

O-RING

1шт.

9

01010-81090

BOLT

4шт.

10

01643-31032

WASHER

4шт.

11

STEERING PRIORITY VALVE (SEE PG H-014)

-29шт.

12

07371-30638

FLANGE, SPLIT

2шт.

13

07000-13025

O-RING

2шт.

14

01010-80835

BOLT

4шт.

15

01643-50823

WASHER, SPRING

4шт.

16

417-62-23281

HOSE

1шт.

Выбрано товаров: 0