Качественные детали и логистика
Оригинальные и аналоговые запчасти с доставкой по России, Казахстану и Беларуси
©2022 PartSell ООО "Система" ИНН 2463123282 ОГРН 1212400004838
Центральный офис: г. Красноярск, Академика Киренского, д.87, пом.4
Телефон: 8 (800) 777-65-74 Email: zakaz@partsell.ru
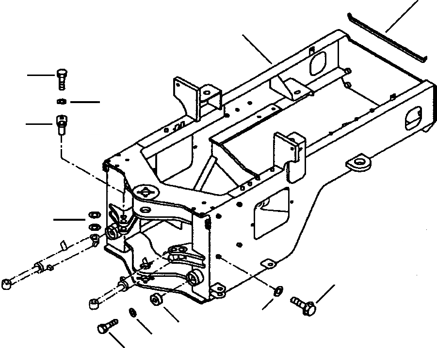
FIG NO. J-A ЗАДН. РАМА
№
Артикул
Название
Примечание
Количество
1
416-46-A1300
REAR, FRAME
1шт.
2
416-54-A1250
SHEET
3
416-46-12262
PIN
4шт.
4
416-46-12270
SHIM, 1.0MM
10шт.
5
01010-81220
BOLT
6
175-54-34170
WASHER
7
416-46-11210
BUMPER
2шт.
8
01010-81225
9
01643-31232
6шт.
10
01435-01220
Выбрано товаров: 0