Запчасти Komatsu WA120-3L FIG NO. J-A HINGE ПАЛЕЦ ПЕРЕДН. РАМА

Схема запчастей Komatsu WA120-3L - FIG NO. J-A HINGE ПАЛЕЦ ПЕРЕДН. РАМА
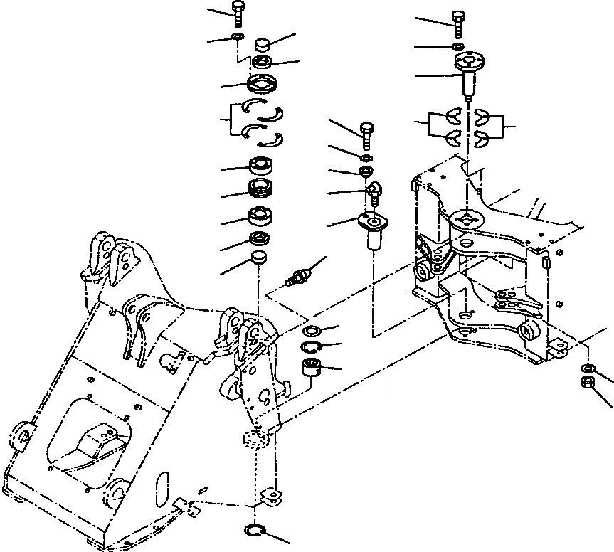
4
15
11
5
16
3
10
1
21
2
14
14
22
20
6
23
7
6
18
17
3
11
19
9
12
13
9
8
FIT
1:1
100%

Артикул

Название

Примечание

Количество

1

417-46-11220

RETAINER

1шт.

2

417-46-11330

SHIM, 0.5MM

6шт.

|$2

417-46-11340

SHIM, 0.1MM

6шт.

3

417-46-11230

SEAL

2шт.

4

01010-81030

BOLT

4шт.

5

01643-31032

WASHER

4шт.

6

417-46-11120

BEARING

2шт.

7

417-46-11210

SPACER

1шт.

8

417-46-11250

BEARING

1шт.

9

417-46-11260

RING

2шт.

10

417-46-A1210

PIN

1шт.

11

417-46-11180

SPACER

2шт.

12

417-46-11160

WASHER

1шт.

13

01597-02419

NUT

1шт.

14

417-46-11190

SHIM, 0.4MM

10шт.

15

01010-81230

BOLT

4шт.

16

01643-31232

WASHER

4шт.

17

07020-00000

FITTING, GREASE

1шт.

18

417-46-11240

PIN

1шт.

19

417-46-11270

WASHER

1шт.

20

424-46-11130

BUSHING

1шт.

21

01010-81230

BOLT

1шт.

22

01643-31232

WASHER

1шт.

23

07020-00900

FITTING, GREASE

1шт.

Выбрано товаров: 24