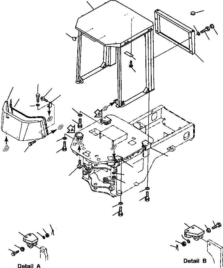
Запчасти Komatsu WA120-3L FIG NO. K-A СИСТЕМА ROPS КАБИНА ОПЕРАТОРА И СИСТЕМА УПРАВЛЕНИЯ

Схема запчастей Komatsu WA120-3L - FIG NO. K-A СИСТЕМА ROPS КАБИНА ОПЕРАТОРА И СИСТЕМА УПРАВЛЕНИЯ
2
20
19
1
21
18
15
17
16
27
22
25
24
23
5
28
4
5
3
25
8
28
26
29
5
4
5
3
10
9
14
12
13
7
11
11
13
12
14
10
6
FIT
1:1
100%

Артикул

Название

Примечание

Количество

|$0

417-921-2020

ROPS CANOPY

1шт.

1

421-54-22990

PLUG

12шт.

2

NSS

ROPS CANOPY

1шт.

3

01010-62095

BOLT

4шт.

4

01011-62025

BOLT

4шт.

5

01643-32060

WASHER

8шт.

6

417-928-A130

BRACKET, LEFT

1шт.

7

417-928-A140

BRACKET, RIGHT

1шт.

8

417-928-A120

BRACKET, LEFT

1шт.

9

417-928-A111

BRACKET, RIGHT

1шт.

10

01013-52425

BOLT

4шт.

11

01643-32460

WASHER

4шт.

12

417-928-2160

COLLAR

4шт.

13

01590-32427

NUT

4шт.

14

04050-15045

PIN

4шт.

15

421-W70-2020

PLATE

1шт.

16

NSS

SCREW

4шт.

17

417-921-A120

GUARD, REAR

1шт.

18

01010-81220

BOLT

4шт.

19

01643-31232

WASHER

4шт.

20

09415-02512

CAP

2шт.

21

09415-03614

CAP

4шт.

22

416-54-26411

GUARD, FRONT

1шт.

23

415-54-26420

FINISHER

1шт.

24

416-54-26330

BRACKET

2шт.

25

01435-01220

BOLT

4шт.

26

01435-01225

BOLT

2шт.

27

01010-82055

BOLT

2шт.

28

01643-32060

WASHER

4шт.

29

01580-12016

NUT

2шт.

Выбрано товаров: 0