Запчасти Komatsu WA120-3L FIG NO. K7-A КОНДИЦ. ВОЗДУХА ВЕНТИЛЯТОР КОРПУС КАБИНА ОПЕРАТОРА И СИСТЕМА УПРАВЛЕНИЯ

Схема запчастей Komatsu WA120-3L - FIG NO. K7-A КОНДИЦ. ВОЗДУХА ВЕНТИЛЯТОР КОРПУС КАБИНА ОПЕРАТОРА И СИСТЕМА УПРАВЛЕНИЯ
21
4
20
22
4
7
2
20
7
1
7
9
8
26
20
3
25
9
10
8
11
19
24
6
23
5
22
21
24
12
16
18
14
15
13
17
FIT
1:1
100%

Артикул

Название

Примечание

Количество

|$0

AIR CONDITIONER HEATER (SEE PG K-042)

-29шт.

|$1

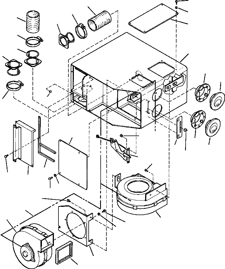
417-963-A620

BOX ASSY, FAN

1шт.

1

417-963-A580

BOX, FAN

1шт.

2

417-963-A570

COVER, OUTSIDE

1шт.

3

419-963-A680

PLATE, GLOVE BOX

1шт.

|$5

419-963-A690

FOAM

1шт.

4

418-T42-A380

HOSE, FLEX

2шт.

5

419-963-A710

COVER, BACK

1шт.

6

1434 987 H1

FOAM, SWITCH SEAL

1шт.

7

416-942-A340

ADAPTER, FLEX HOSE

3шт.

8

416-942-A280

LOUVER, FLUSH

2шт.

9

416-942-A290

MOUNT, PANEL

2шт.

10

419-963-A740

DECAL, AIR CONTROL

1шт.

11

419-963-A750

KNOB, SLIDER CONTROL

1шт.

12

419-963-A760

HARNESS, BLOWER FAN

1шт.

|$15

419-963-A820

FAN KIT, BLOWER - REAR

1шт.

13

NSS

BRACKET, REAR FAN

1шт.

14

NSS

SCREW

5шт.

15

NSS

WASHER, LOCK

5шт.

16

NSS

MOTOR, FAN UNIT

1шт.

17

425-963-AE90

FOAM, 16 IN LONG

1шт.

18

419-963-A840

FAN KIT, BLOWER - FRONT

1шт.

19

SLIDE, AIR SELECTOR (SEE PG K-050)

-29шт.

|$23

419-963-A720

KIT, HARDWARE

1шт.

20

NSS

CLAMP, HOSE

3шт.

21

NSS

BOLT

8шт.

22

NSS

WASHER, LOCK

8шт.

23

NSS

SCREW, TRUSS

4шт.

24

NSS

SCREW

6шт.

25

NSS

NUT, LOCK

2шт.

26

NSS

PLUG

3шт.

Выбрано товаров: 0