Запчасти Komatsu WA120-3L FIG NO. K7-A КОНДИЦ. ВОЗДУХА КОНДЕНСАТОР КАБИНА ОПЕРАТОРА И СИСТЕМА УПРАВЛЕНИЯ

Схема запчастей Komatsu WA120-3L - FIG NO. K7-A КОНДИЦ. ВОЗДУХА КОНДЕНСАТОР КАБИНА ОПЕРАТОРА И СИСТЕМА УПРАВЛЕНИЯ
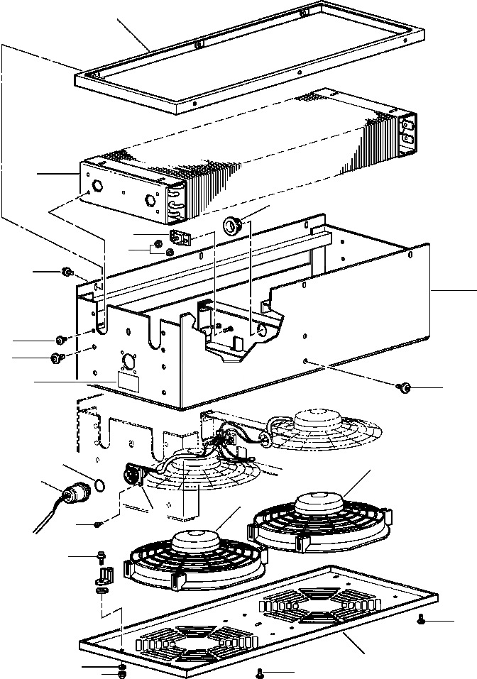
1
2
7
8
11
6
5
6
4
12
6
13
16
17
16
15
14
18
4
3
9
4
10
FIT
1:1
100%

Артикул

Название

Примечание

Количество

|$0

AIR CONDITIONER HEATER (SEE PG K-042)

-29шт.

|$1

A/C PIPING (SEE PG K-056)

-29шт.

|$2

CONDENSER MOUNTING (SEE PG K-060)

-29шт.

|$3

417-963-A340

CONDENSER ASSY

1шт.

1

416-963-A320

SCREEN

1шт.

2

416-963-A310

COIL

1шт.

3

416-963-A410

TOP

1шт.

4

416-942-A060

SCREW, TORX

18шт.

5

416-963-A330

HOUSING

1шт.

6

418-T42-A470

SCREW, TORX

17шт.

7

425-963-A990

GROMMET, RUBBER

1шт.

8

416-963-A340

BLOCK, STUD

1шт.

9

174 916

WASHER, LOCK

8шт.

10

131 420

NUT, ACORN

8шт.

11

416-942-A150

NUT

3шт.

12

1300 160 H1

DECAL

1шт.

13

416-963-A360

SEAL

1шт.

14

416-963-A370

SCREW, SLOTTED

4шт.

15

416-963-A380

HARNESS, INTERNAL

1шт.

16

416-963-A390

FAN, PUSHER

2шт.

17

HARNESS, EXTERNAL (SEE PG K-060)

-29шт.

18

425-963-A730

SCREW, WHIZLOCK

8шт.

Выбрано товаров: 0