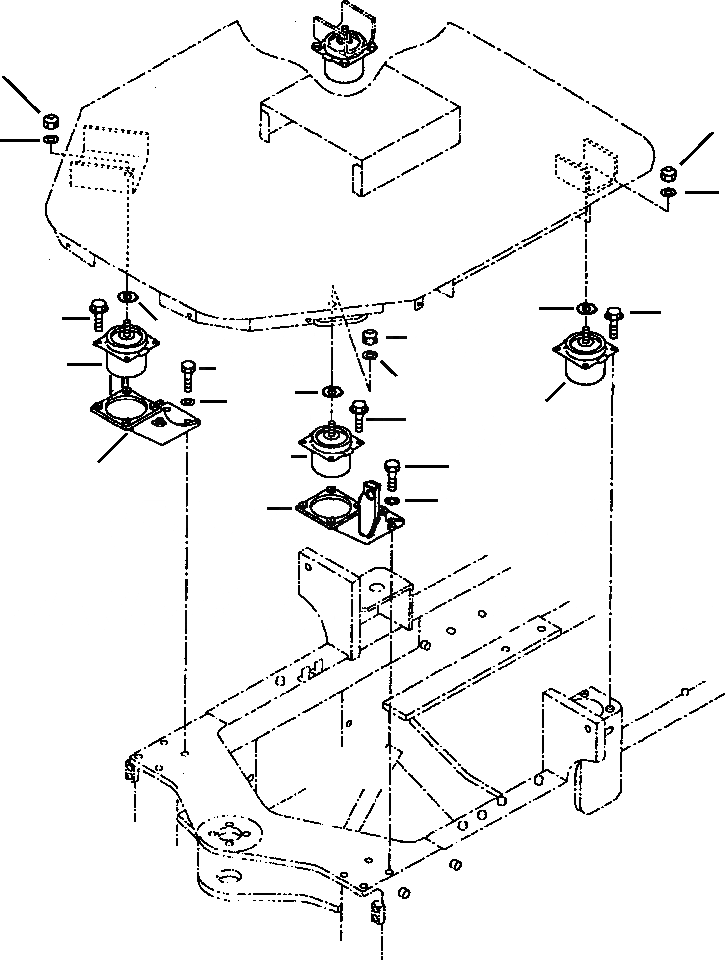
Запчасти Komatsu WA120-3L FIG NO. K-A ПОЛ СУППОРТ КАБИНА ОПЕРАТОРА И СИСТЕМА УПРАВЛЕНИЯ

Схема запчастей Komatsu WA120-3L - FIG NO. K-A ПОЛ СУППОРТ КАБИНА ОПЕРАТОРА И СИСТЕМА УПРАВЛЕНИЯ
8
7
6
5
2
1
5
9
4
3
9
4
3
6
8
9
5
6
7
8
7
FIT
1:1
100%

Артикул

Название

Примечание

Количество

1

416-928-2111

SUPPORT, LEFT

1шт.

2

416-928-2121

SUPPORT, RIGHT

1шт.

3

01010-61650

BOLT

8шт.

4

01643-31645

WASHER

8шт.

5

425-54-23130

MOUNT

4шт.

6

01435-01030

BOLT

16шт.

7

416-40-11150

WASHER

4шт.

8

01596-01615

NUT

4шт.

9

417-54-A1380

SHIM

4шт.

Выбрано товаров: 9