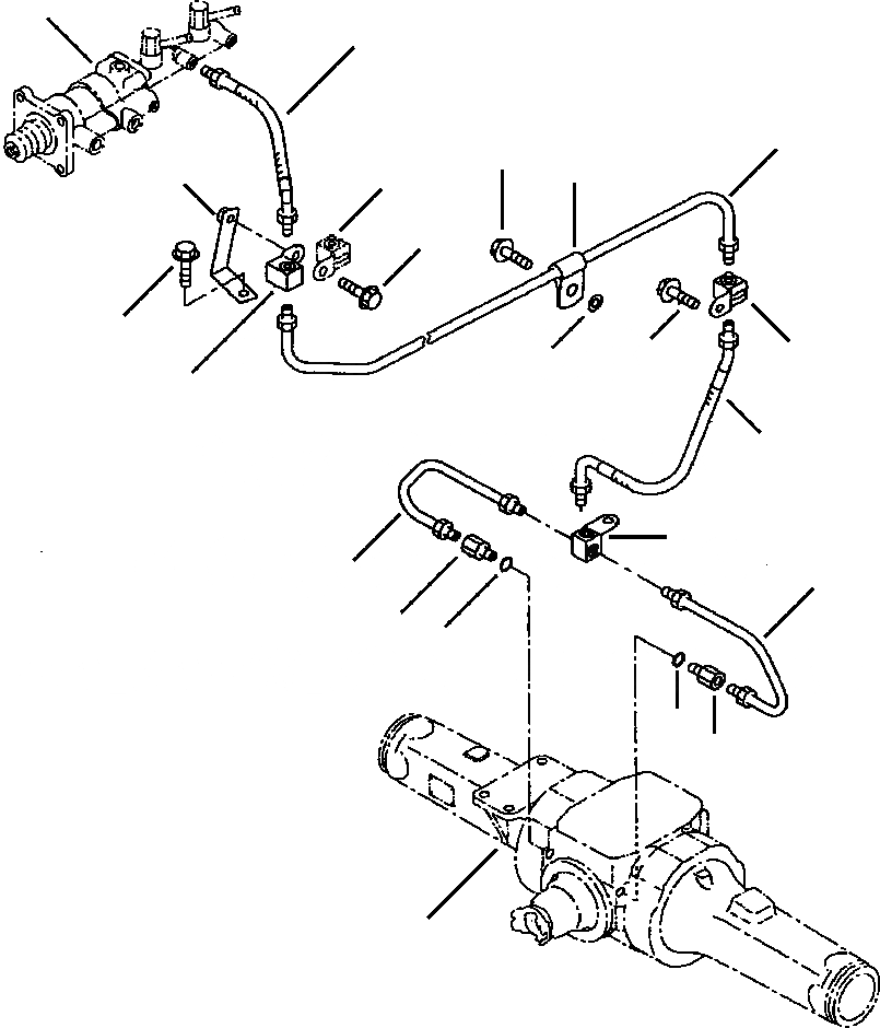
Запчасти Komatsu WA120-3L FIG NO. K-A ТОРМОЗНАЯ ГИДРОЛИНИЯ ЗАДН. ТОРМОЗН. ГИДРОЛИНИЯS КАБИНА ОПЕРАТОРА И СИСТЕМА УПРАВЛЕНИЯ

Схема запчастей Komatsu WA120-3L - FIG NO. K-A ТОРМОЗНАЯ ГИДРОЛИНИЯ ЗАДН. ТОРМОЗН. ГИДРОЛИНИЯS КАБИНА ОПЕРАТОРА И СИСТЕМА УПРАВЛЕНИЯ
14
3
6
2
7
1
16
2
2
2
4
8
4
5
9
11
10
12
13
13
12
15
FIT
1:1
100%

Артикул

Название

Примечание

Количество

1

417-43-27370

PLATE

1шт.

2

01435-01020

BOLT

4шт.

3

417-43-27280

HOSE

1шт.

4

419-43-17370

UNION

2шт.

5

417-43-27270

HOSE

1шт.

6

416-43-27110

TUBE

1шт.

7

419-09-11160

CLIP

1шт.

8

01643-31032

WASHER

1шт.

9

417-43-17550

TEE

1шт.

10

417-43-17560

TUBE

1шт.

11

417-43-17570

TUBE

1шт.

12

419-43-17420

NIPPLE

2шт.

13

07002-11223

O-RING

2шт.

14

BRAKE MASTER CYLINDER (SEE PG K-142)

-29шт.

15

REAR AXLE (SEE PG F-074)

-29шт.

16

UNION (SEE PG K-140)

-29шт.

Выбрано товаров: 16