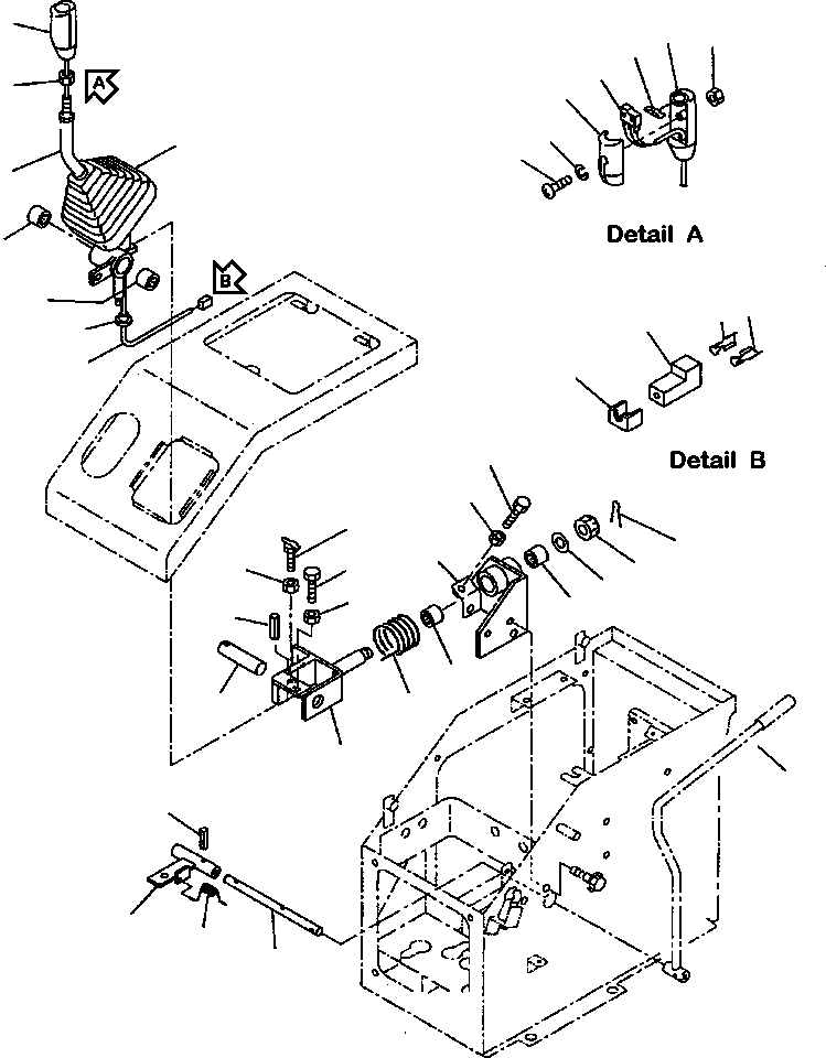
Запчасти Komatsu WA120-3L FIG NO. K-A УПРАВЛЕНИЕ ПОГРУЗКОЙ РЫЧАГ КАБИНА ОПЕРАТОРА И СИСТЕМА УПРАВЛЕНИЯ

Схема запчастей Komatsu WA120-3L - FIG NO. K-A УПРАВЛЕНИЕ ПОГРУЗКОЙ РЫЧАГ КАБИНА ОПЕРАТОРА И СИСТЕМА УПРАВЛЕНИЯ
9
9
13
10
11
4
9
14
2
12
1
15
5
15
5
6
3
7
8
29
30
20
28
24
21
22
27
26
22
25
18
25
17
23
16
34
33
31
19
32
FIT
1:1
100%

Артикул

Название

Примечание

Количество

|$0

418-43-28312

LEVER ASSY, LOADER

1шт.

1

418-43-28320

LEVER

1шт.

2

417-43-28210

BOOT

1шт.

3

423-43-18350

GROMMET

1шт.

4

421-09-21230

NUT

1шт.

5

08056-00050

TERMINAL

2шт.

6

08056-00211

BODY

1шт.

7

08056-00230

HOLDER

1шт.

8

08023-06350

TUBE

1шт.

|$9

417-06-21111

HANDLE ASSY, SWITCH

1шт.

9

417-06-21140

COVER

1шт.

10

421-06-25560

SPRING

1шт.

11

421-06-25570

SWITCH AND WIRES

1шт.

12

01235-40530

SCREW

1шт.

13

01580-10504

NUT

1шт.

14

01601-20513

WASHER, SPRING

1шт.

15

06124-02020

BEARING

2шт.

16

418-43-28330

YOKE

1шт.

17

417-43-18181

PIN

1шт.

18

04025-00616

PIN, SPRING

1шт.

19

09467-00006

SPRING

1шт.

20

363-43-31250

BOLT

1шт.

21

01016-50825

BOLT

1шт.

22

01580-10806

NUT

2шт.

23

417-43-28260

SPRING

1шт.

24

417-43-28140

BRACKET

1шт.

25

06124-02020

BEARING

2шт.

26

01643-31645

WASHER

1шт.

27

01590-31619

NUT

1шт.

28

04050-14030

PIN, COTTER

1шт.

29

01016-50825

BOLT

1шт.

30

01580-10806

NUT

1шт.

31

417-43-28150

LEVER

1шт.

32

417-43-28240

SHAFT

1шт.

33

04025-00520

PIN, SPRING

1шт.

34

LOCK LEVER (SEE PG K-148)

-29шт.

Выбрано товаров: 0