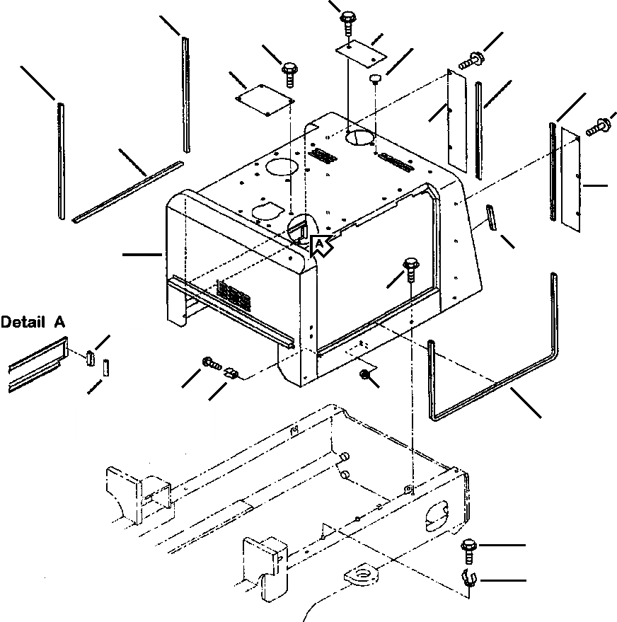
Запчасти Komatsu WA120-3L FIG NO. M-A КАПОТ ЧАСТИ КОРПУСА

Схема запчастей Komatsu WA120-3L - FIG NO. M-A КАПОТ ЧАСТИ КОРПУСА
18
7
19
21
12
20
7
11
17
17
19
16
5
16
1
3
2
4
15
14
8
13
6
10
9
FIT
1:1
100%

Артикул

Название

Примечание

Количество

1

416-54-A1400

HOOD

1шт.

2

01435-01235

BOLT

6шт.

3

416-54-21540

SEAL

2шт.

4

417-54-21370

SEAL

1шт.

5

417-54-21380

SEAL

1шт.

6

417-54-21390

SEAL

1шт.

7

417-54-21490

SEAL

2шт.

8

417-54-21990

SHEET

2шт.

9

417-54-21460

SPRING

2шт.

10

01435-00812

BOLT

2шт.

11

418-54-21951

PLATE

1шт.

12

01435-01025

BOLT

4шт.

13

08052-01911

CLIP

1шт.

14

01220-40608

SCREW

1шт.

15

09415-00706

CAP

1шт.

16

417-54-A1911

PLATE

2шт.

17

417-54-A1941

SEAL

2шт.

18

01435-00820

BOLT

2шт.

19

01435-00816

BOLT

6шт.

20

416-54-21280

PLUG

1шт.

21

416-Z91-2110

PLATE

1шт.

Выбрано товаров: 21