Качественные детали и логистика
Оригинальные и аналоговые запчасти с доставкой по России, Казахстану и Беларуси
©2022 PartSell ООО "Система" ИНН 2463123282 ОГРН 1212400004838
Центральный офис: г. Красноярск, Академика Киренского, д.87, пом.4
Телефон: 8 (800) 777-65-74 Email: zakaz@partsell.ru
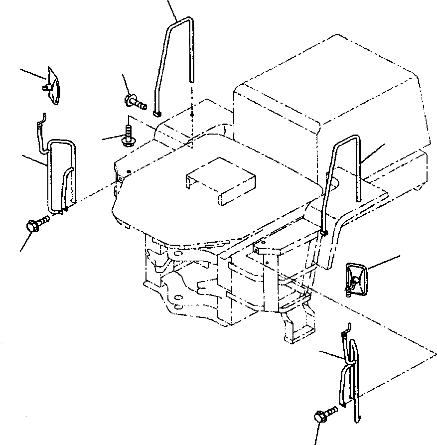
FIG NO. M-A ПОРУЧНИ И ЗЕРКАЛАСИСТЕМА ROPS
№
Артикул
Название
Примечание
Количество
1
417-54-25111
RAIL, LEFT
1шт.
2
01435-01225
BOLT
8шт.
3
417-54-25120
RAIL, RIGHT
4
01435-01265
2шт.
5
417-54-25130
RAIL, UPPER
6
417-54-25180
MIRROR
Выбрано товаров: 0