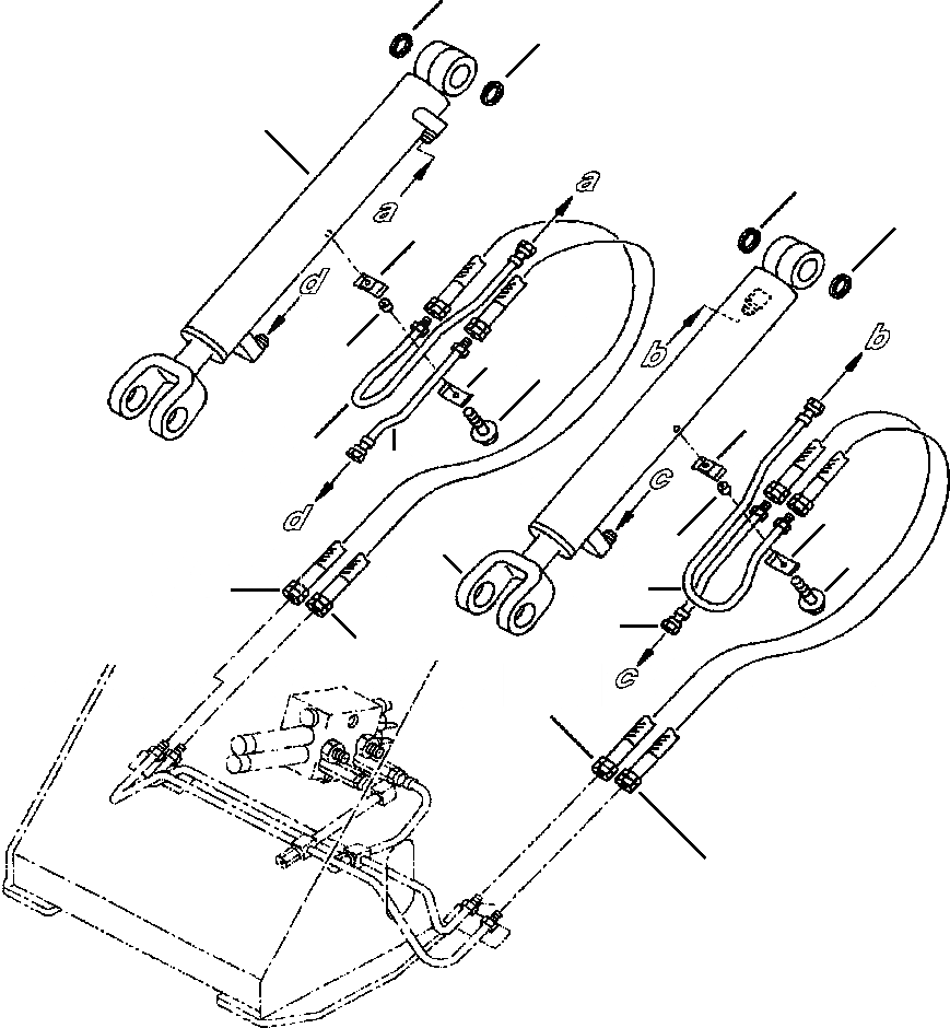
Запчасти Komatsu WA120-3L FIG NO. T-A ЦИЛИНДР СТРЕЛЫТРУБЫ РАБОЧЕЕ ОБОРУДОВАНИЕ

Схема запчастей Komatsu WA120-3L - FIG NO. T-A ЦИЛИНДР СТРЕЛЫТРУБЫ РАБОЧЕЕ ОБОРУДОВАНИЕ
3
3
2
3
3
6
5
7
8
6
11
9
5
1
7
8
10
4
9
4
4
4
FIT
1:1
100%

Артикул

Название

Примечание

Количество

1

CYLINDER, LEFT (SEE PG H-042)

-29шт.

2

CYLINDER, RIGHT (SEE PG H-042)

-29шт.

3

416-09-11130

SEAL, DUST

4шт.

4

417-62-23170

HOSE

4шт.

5

417-62-13760

CLAMP

2шт.

6

175-914-4220

CLAMP

2шт.

7

175-79-83760

SPACER

2шт.

8

01435-01050

BOLT

2шт.

9

416-62-23130

TUBE

2шт.

10

416-62-23140

TUBE, LEFT

1шт.

11

416-62-23150

TUBE, RIGHT

1шт.

Выбрано товаров: 11