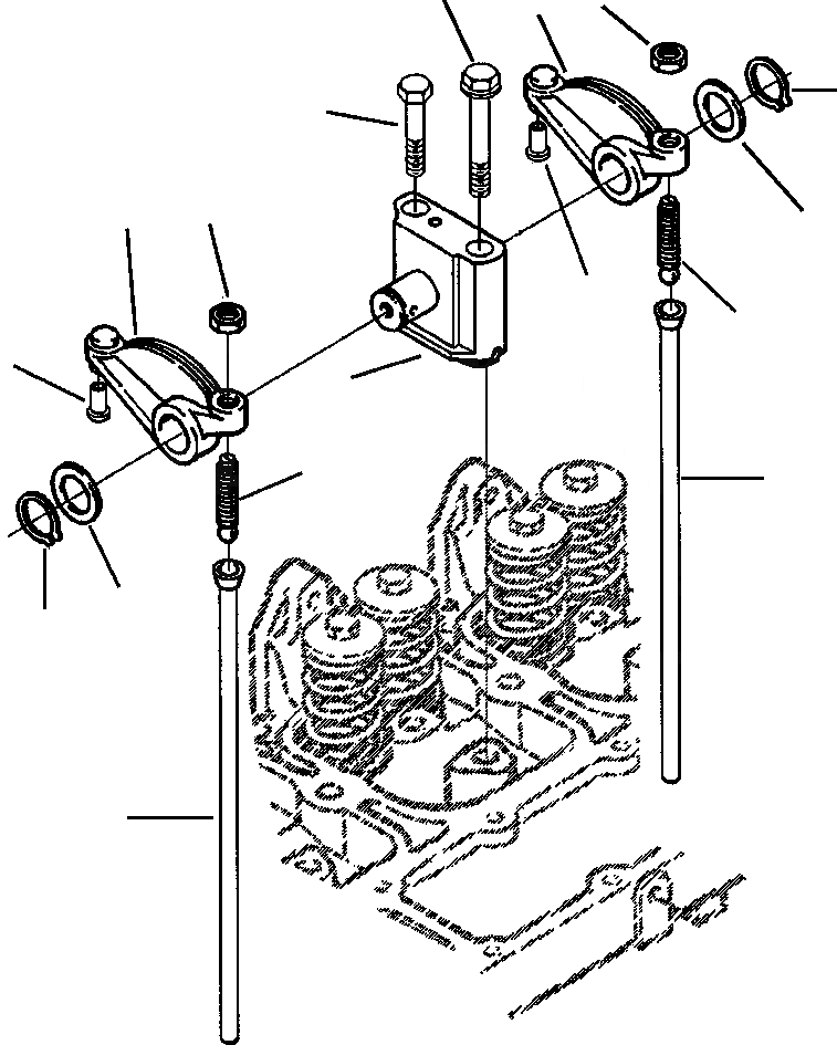
Запчасти Komatsu WA120-3L РЫЧАГ КОРОМЫСЛАS ДВИГАТЕЛЬ

Схема запчастей Komatsu WA120-3L - РЫЧАГ КОРОМЫСЛАS ДВИГАТЕЛЬ
2
4
5
11
10
14
3
1
12
13
6
14
9
7
10
11
8
FIT
1:1
100%

Артикул

Название

Примечание

Количество

|$0

6736-41-5110

SUPPORT, ROCKER LEVER

4шт.

1

NSS

SUPPORT, ROCKER LEVER

1шт.

|$2

NSS

SHAFT, ROCKER LEVER

1шт.

2

6732-41-5200

LEVER, ROCKER

4шт.

|$4

NSS

LEVER, ROCKER (INTAKE)

1шт.

3

6732-41-5420

BOLT, SET

1шт.

4

6735-41-5550

NUT, HEX

1шт.

5

NSS

INSERT, ROCKER LEVER

1шт.

6

6732-41-5400

LEVER, ROCKER

4шт.

|$9

NSS

LEVER, ROCKER (EXHAUST)

1шт.

7

6732-41-5420

BOLT, SET

1шт.

8

6735-41-5550

NUT, HEX

1шт.

9

NSS

INSERT, ROCKER LEVER

1шт.

10

6732-41-5160

WASHER, PLAIN

8шт.

11

6732-41-5170

RING, RETAINING

8шт.

12

6732-41-5180

BOLT

4шт.

13

6732-11-1640

BOLT

4шт.

14

6732-41-3110

ROD, PUSH

8шт.

Выбрано товаров: 18