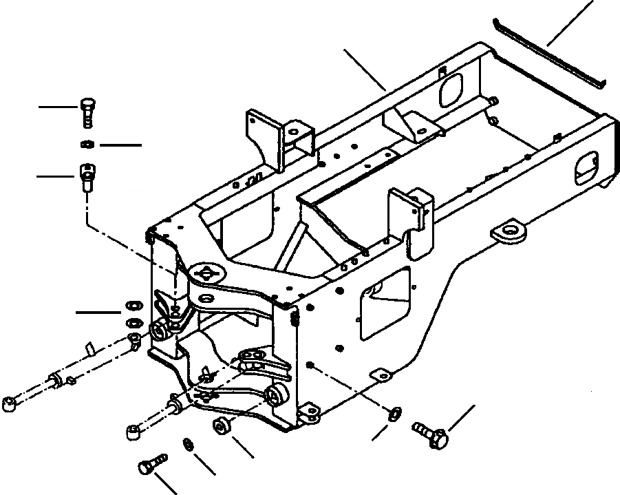
Запчасти Komatsu WA120-3MC FIG. J-A ЗАДН. РАМА ОСНОВНАЯ РАМА И ЕЕ ЧАСТИ

Схема запчастей Komatsu WA120-3MC - FIG. J-A ЗАДН. РАМА ОСНОВНАЯ РАМА И ЕЕ ЧАСТИ
2
1
5
6
3
4
10
9
7
9
8
FIT
1:1
100%

Артикул

Название

Примечание

Количество

1

416-46-A1101

REAR FRAME

SN: A31001--UP

1шт.

2

416-54-A1250

SHEET

SN: A31001--UP

1шт.

3

416-46-12262

PIN

SN: A31001--UP

4шт.

4

416-46-12270

SHIM, 1.0MM

SN: A31001--UP

10шт.

5

01010-81220

BOLT

SN: A31001--UP

4шт.

6

175-54-34170

WASHER

SN: A31001--UP

4шт.

7

416-46-11210

BUMPER

SN: A31001--UP

2шт.

8

01010-81225

BOLT

SN: A31001--UP

2шт.

9

01643-31232

WASHER

SN: A31001--UP

6шт.

10

01435-01220

BOLT

SN: A31001--UP

4шт.

Выбрано товаров: 10