Запчасти Komatsu WA120-3MC FIG. K-A СИДЕНЬЕ ОПЕРАТОРА - CLOTH COVERED КАБИНА ОПЕРАТОРА И СИСТЕМА УПРАВЛЕНИЯ

Схема запчастей Komatsu WA120-3MC - FIG. K-A СИДЕНЬЕ ОПЕРАТОРА - CLOTH COVERED КАБИНА ОПЕРАТОРА И СИСТЕМА УПРАВЛЕНИЯ
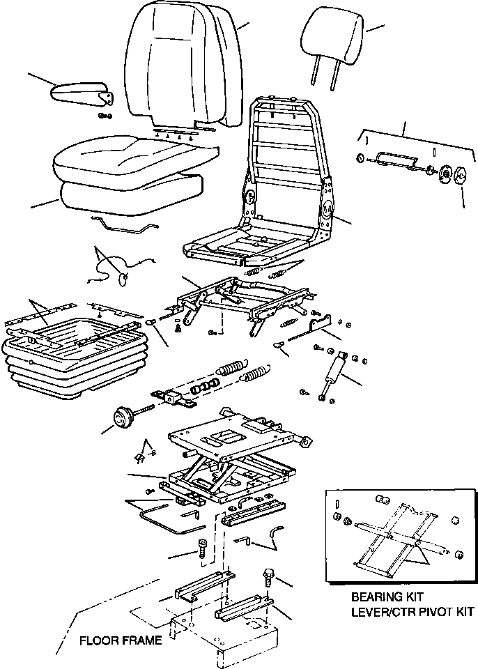
4
18
19
3
5
7
1
9
8
6
15
2
7
7
10
12
11
13
14
14
23
17
16
22
21
17
20
16
FIT
1:1
100%

Артикул

Название

Примечание

Количество

|$0

423-960-A030

SEAT ASSEMBLY, 515 - CLOTH COVERED

SN: A31001--UP

1шт.

|$1

421-960-A210

KIT, UPPER ASSEMBLY

SN: A31001--UP

1шт.

1

195-57-A0200

KIT, FRAME ASSEMBLY

SN: A31001--UP

1шт.

2

195-57-A0900

KIT, HEIGHT RISER LATCH

SN: A31001--UP

1шт.

3

195-57-A0220

KIT, LUMBAR SUPPORT

SN: A31001--UP

1шт.

4

195-57-A0300

KIT, BACK FOAM

SN: A31001--UP

1шт.

|$6

421-960-A220

KIT, BACK COVER

SN: A31001--UP

1шт.

5

195-57-A0500

KIT, SEAT FOAM

SN: A31001--UP

1шт.

|$8

195-57-A0400

KIT, SEAT COVER

SN: A31001--UP

1шт.

6

195-57-A0800

KIT, HEIGHT RISER ASSEMBLY

SN: A31001--UP

1шт.

7

421-960-A360

KIT, HANDLE

SN: A31001--UP

1шт.

8

195-57-A0010

KIT, HEIGHT RISER SPRING

SN: A31001--UP

1шт.

9

206-57-A1470

KIT, RECLINER CABLE

SN: A31001--UP

1шт.

10

421-960-A310

KIT, DAMPER

SN: A31001--UP

1шт.

11

195-57-A0210

KIT, WEIGHT ADJUSTER

SN: A31001--UP

1шт.

12

195-57-A0310

KIT, UPSTOP/BUMP STOP

SN: A31001--UP

1шт.

13

421-960-A340

KIT, SUSPENSION ASSEMBLY

SN: A31001--UP

1шт.

14

421-960-A350

KIT, SLIDERAIL

SN: A31001--UP

1шт.

15

421-960-A370

KIT, SUSPENSION COVER

SN: A31001--UP

1шт.

16

195-57-A0020

KIT, BEARING - SINGLE SPRING

SN: A31001--UP

1шт.

17

195-57-A0120

KIT, LEVER/CENTER PIVOT

SN: A31001--UP

1шт.

18

195-57-A0420

KIT, HEADREST

SN: A31001--UP

1шт.

19

421-960-A430

KIT, L.H. ARMREST

SN: A31001--UP

1шт.

|$23

421-960-A440

KIT, R.H. ARMREST

SN: A31001--UP

1шт.

20

421-960-A111

L.H. BRACKET

SN: A31001--UP

1шт.

21

421-960-A121

R.H. BRACKET

SN: A31001--UP

1шт.

22

01435-01225

BOLT

SN: A31001--UP

4шт.

23

01252-70820

SCREW

SN: A31001--UP

4шт.

Выбрано товаров: 28