Качественные детали и логистика
Оригинальные и аналоговые запчасти с доставкой по России, Казахстану и Беларуси
©2022 PartSell ООО "Система" ИНН 2463123282 ОГРН 1212400004838
Центральный офис: г. Красноярск, Академика Киренского, д.87, пом.4
Телефон: 8 (800) 777-65-74 Email: zakaz@partsell.ru
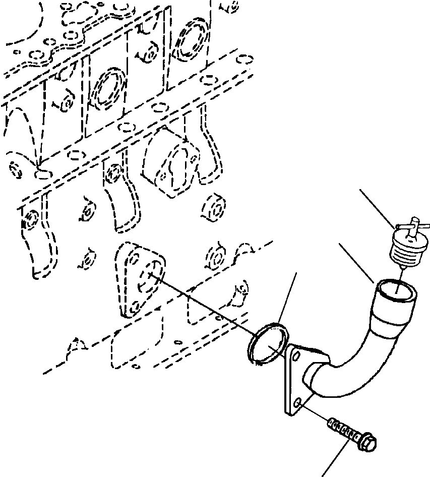
FIG. A9-AA МАСЛ. FILL PORT
№
Артикул
Название
Примечание
Количество
1
6735-21-7130
CAP, FILLER
1шт.
2
6736-21-3360
SEAL, RECTANGULAR RING
3
6731-21-7310
TUBE, OIL FILLER
4
6732-51-5130
BOLT (M12-1.75x25)
2шт.
Выбрано товаров: 0