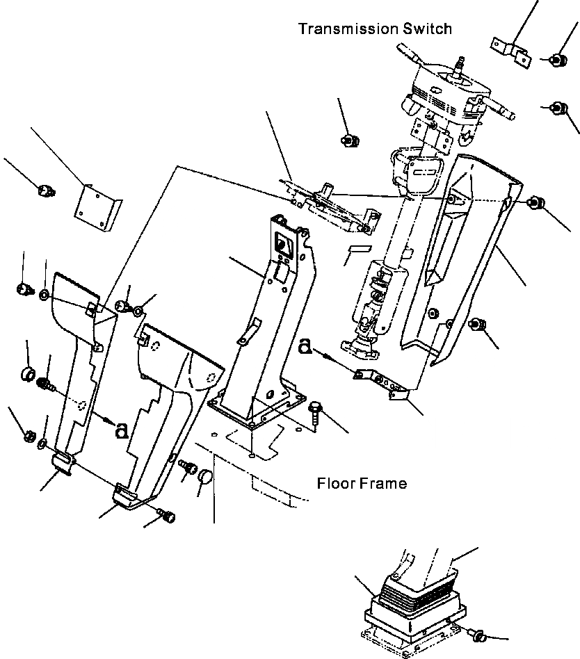
Запчасти Komatsu WA120-3MC FIG. K-A РУЛЕВОЕ КОЛЕСО КОРПУС КАБИНА ОПЕРАТОРА И СИСТЕМА УПРАВЛЕНИЯ

Схема запчастей Komatsu WA120-3MC - FIG. K-A РУЛЕВОЕ КОЛЕСО КОРПУС КАБИНА ОПЕРАТОРА И СИСТЕМА УПРАВЛЕНИЯ
19
17
12
16
11
12
2
5
15
6
18
5
6
1
10
5
21
9
8
20
22
7
4
10
3
7
15
13
14
FIT
1:1
100%

Артикул

Название

Примечание

Количество

1

416-54-22460

COVER

SN: A31001--UP

1шт.

2

421-09-21410

SCREW

SN: A31001--UP

4шт.

3

417-54-22310

COLUMN COVER (L.H.)

SN: A31001--UP

1шт.

4

417-54-22320

COLUMN COVER (R.H.)

SN: A31001--UP

1шт.

5

421-09-21410

SCREW

SN: A31001--UP

6шт.

6

01642-40608

WASHER

SN: A31001--UP

2шт.

7

421-09-21430

SCREW

SN: A31001--UP

2шт.

8

01642-40608

WASHER

SN: A31001--UP

3шт.

9

421-09-21340

NUT

SN: A31001--UP

2шт.

10

421-54-22540

PLUG

SN: A31001--UP

4шт.

11

417-54-22330

COLUMN COVER

SN: A31001--UP

1шт.

12

421-09-21410

SCREW

SN: A31001--UP

3шт.

13

421-54-22340

BOOT

SN: A31001--UP

1шт.

14

419-54-A2490

PLUG

SN: A31001--UP

6шт.

15

416-54-A2220

BRACKET

SN: A31001--UP

1шт.

16

416-54-22470

BRACKET

SN: A31001--UP

1шт.

17

01435-00816

BOLT

SN: A31001--UP

4шт.

18

417-54-11270

SHEET

SN: A31001--UP

2шт.

19

416-06-22860

BRACKET

SN: A31001--UP

1шт.

20

421-54-22240

SUPPORT

SN: A31001--UP

1шт.

21

01435-00612

BOLT

SN: A31001--UP

2шт.

22

01435-01230

BOLT

SN: A31001--UP

4шт.

Выбрано товаров: 22