Запчасти Komatsu WA120-3MC FIG. M-A ПОРУЧНИ ЧАСТИ КОРПУСА

Схема запчастей Komatsu WA120-3MC - FIG. M-A ПОРУЧНИ ЧАСТИ КОРПУСА
5
4
6
5
2
3
6
2
1
2
FIT
1:1
100%

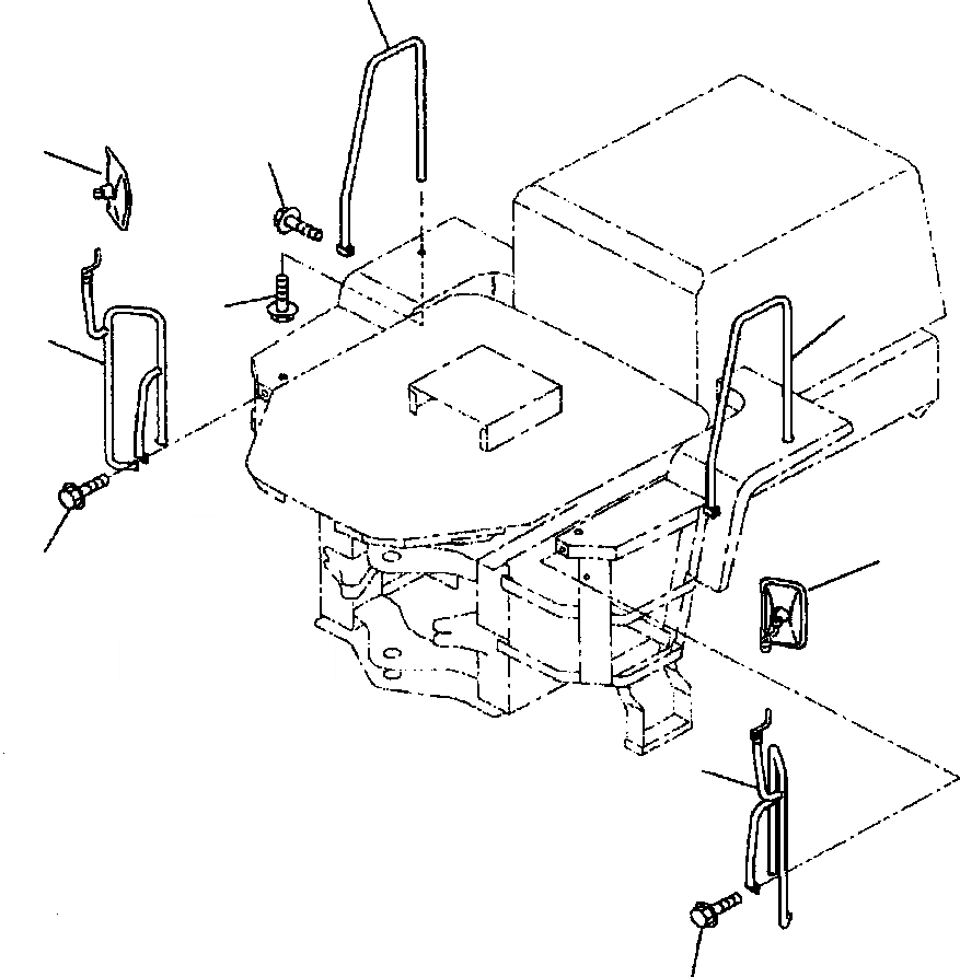
Артикул

Название

Примечание

Количество

1

417-54-25111

RAIL, LEFT

SN: A31001--UP

1шт.

2

01435-01225

BOLT

SN: A31001--UP

8шт.

3

417-54-25120

RAIL, RIGHT

SN: A31001--UP

1шт.

4

01435-01265

BOLT

SN: A31001--UP

2шт.

5

417-54-25130

RAIL, UPPER

SN: A31001--UP

2шт.

6

417-54-25180

MIRROR

SN: A31001--UP

2шт.

Выбрано товаров: 6