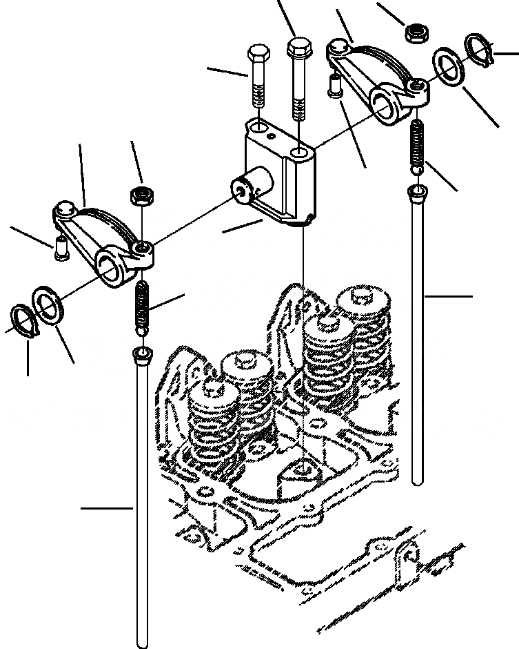
Запчасти Komatsu WA120-3MC FIG. A9-AA РЫЧАГ КОРОМЫСЛАS ДВИГАТЕЛЬ

Схема запчастей Komatsu WA120-3MC - FIG. A9-AA РЫЧАГ КОРОМЫСЛАS ДВИГАТЕЛЬ
13
8
6
11
12
4
2
10
9
7
5
1
3
14
10
11
14
FIT
1:1
100%

Артикул

Название

Примечание

Количество

|$0

6736-41-5110

SHAFT, ROCKER LEVER

4шт.

1

NSS

SUPPORT, ROCKER LEVER

1шт.

|$2

NSS

SHAFT, ROCKER LEVER

1шт.

2

6732-41-5200

LEVER, ROCKER

4шт.

|$4

NSS

LEVER, ROCKER (INTAKE)

1шт.

3

6731-41-5270

BOLT, SLOTTED SET (3/8-24x1 1/2 INCH)

1шт.

4

6735-41-5550

NUT, HEAVY HEXAGON (3/8-24 UNF)

1шт.

5

NSS

INSERT, ROCKER LEVER

1шт.

6

6732-41-5400

LEVER, ROCKER

4шт.

|$9

NSS

LEVER, ROCKER (EXHAUST)

1шт.

7

6732-41-5270

BOLT, SLOTTED SET (3/8-24x1 1/2 INCH)

1шт.

8

6735-41-5550

NUT, HEAVY HEXAGON (3/8-24 UNF)

1шт.

9

NSS

INSERT, ROCKER LEVER

1шт.

10

6732-41-5160

WASHER, PLAIN (M19)

8шт.

11

6732-41-5170

RING, RETAINING

8шт.

12

6732-41-5180

BOLT (M8-1.25x75)

4шт.

13

6732-11-1640

BOLT

4шт.

14

6732-41-3111

ROD, PUSH

8шт.

Выбрано товаров: 18