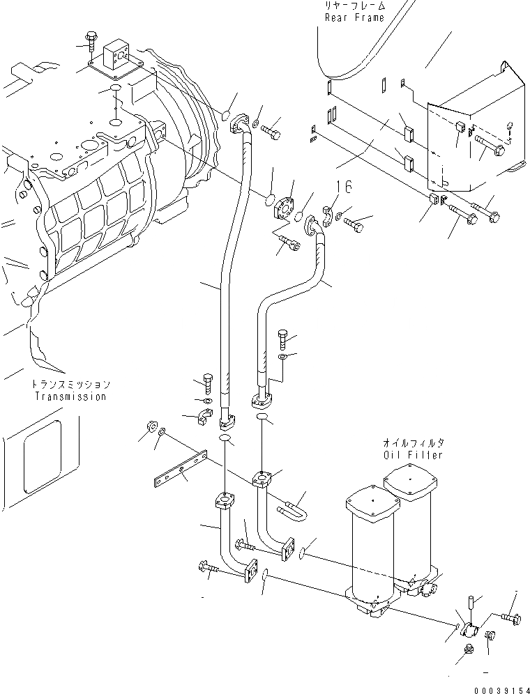
Запчасти Komatsu WA1200-3 ГИДРОТРАНСФОРМАТОР И ТРАНСМИССИЯ ЛИНИЯ (МАСЛ. ФИЛЬТР ТРУБЫ) (RIO TINTO СПЕЦ-Я.)(№-) ГИДРОТРАНСФОРМАТОР И ТРАНСМИССИЯ

Схема запчастей Komatsu WA1200-3 - ГИДРОТРАНСФОРМАТОР И ТРАНСМИССИЯ ЛИНИЯ (МАСЛ. ФИЛЬТР ТРУБЫ) (RIO TINTO СПЕЦ-Я.)(№-) ГИДРОТРАНСФОРМАТОР И ТРАНСМИССИЯ
1
1
2
3
4
5
6
7
7
8
8
9
9
10
11
12
13
14
15
16
17
17
17
17
18
18
18
18
19
19
19
19
20
21
22
23
24
25
26
26
27
27
28
28
28
FIT
1:1
100%

Артикул

Название

Примечание

Количество

|$3

426-60-15150

VALVE ASS'Y

SN: 50045-UP

2шт.

1

6693-22-5610

BODY

SN: 50045-UP

1шт.

2

6693-22-5620

VALVE

SN: 50045-UP

1шт.

3

04020-00514

PIN,DOWEL

SN: 50045-UP

1шт.

4

426-60-15160

PLUG

SN: 50045-UP

1шт.

5

07000-F3028

O-RING

SN: 50045-UP

2шт.

6

01435-01030

BOLT

SN: 50045-UP

4шт.

7

42C-16-11253

TUBE

SN: 50045-UP

2шт.

8

07000-F3048

O-RING

SN: 50045-UP

2шт.

9

01435-01240

BOLT

SN: 50045-UP

8шт.

10

42C-16-11481

PLATE

SN: 50045-UP

1шт.

11

07283-34346

CLIP

SN: 50045-UP

2шт.

12

01597-01009

NUT

SN: 50045-UP

4шт.

13

01643-31032

WASHER

SN: 50045-UP

4шт.

14

42C-16-12130

HOSE

SN: 50081-UP

1шт.

14

07297-01413

HOSE

SN: 50045-50080

1шт.

15

42C-16-12140

HOSE

SN: 50081-UP

1шт.

15

07297-01415

HOSE

SN: 50045-50080

1шт.

16

07371-31465

FLANGE,SPLIT

SN: 50045-UP

8шт.

17

07372-21240

BOLT

SN: 50045-UP

16шт.

18

01643-51232

WASHER

SN: 50045-UP

16шт.

19

07000-F3048

O-RING

SN: 50045-UP

4шт.

20

42C-16-11161

COVER

SN: 50045-UP

1шт.

21

07000-F3048

O-RING

SN: 50045-UP

1шт.

22

01435-01230

BOLT

SN: 50045-UP

4шт.

23

421-62-13750

ADAPTER

SN: 50045-UP

1шт.

24

01252-71230

BOLT

SN: 50045-UP

4шт.

25

07000-F2060

O-RING

SN: 50045-UP

1шт.

26

42C-Z89-1630

PLATE

SN: 50045-UP

2шт.

27

42C-Z89-1640

PLATE

SN: 50045-UP

2шт.

28

01435-01280

BOLT

SN: 50045-UP

8шт.

Выбрано товаров: 0