Запчасти Komatsu WA1200-3 БЛОКИР. BAR И КРЫШКА(СИЛОВАЯ ПЕРЕДАЧА ЧАСТИ КОРПУСА)(№9-) ОСНОВНАЯ РАМА И ЕЕ ЧАСТИ

Схема запчастей Komatsu WA1200-3 - БЛОКИР. BAR И КРЫШКА(СИЛОВАЯ ПЕРЕДАЧА ЧАСТИ КОРПУСА)(№9-) ОСНОВНАЯ РАМА И ЕЕ ЧАСТИ
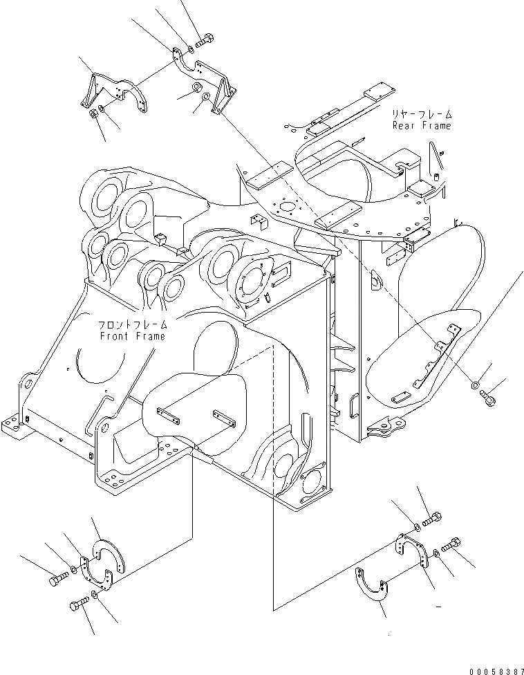
1
1
2
2
3
3
4
4
5
5
6
6
7
8
9
10
10
11
12
13
13
14
FIT
1:1
100%

Артикул

Название

Примечание

Количество

1

42C-46-11280

PLATE

SN: 50059-UP

2шт.

2

42C-46-11270

PLATE

SN: 50059-UP

2шт.

3

01010-81660

BOLT

SN: 50059-UP

8шт.

4

01643-31645

WASHER

SN: 50059-UP

8шт.

5

01010-81650

BOLT

SN: 50059-UP

8шт.

6

01643-31645

WASHER

SN: 50059-UP

8шт.

7

42C-46-11251

GUARD

SN: 50067-UP

1шт.

7

0

GUARD

SN: 50059-50066

1шт.

8

42C-46-11261

GUARD

SN: 50067-UP

1шт.

8

0

GUARD

SN: 50059-50066

1шт.

9

01010-82065

BOLT

SN: 50059-UP

4шт.

10

01643-32060

WASHER

SN: 50059-UP

8шт.

11

01580-12016

NUT

SN: 50059-UP

4шт.

12

01010-81690

BOLT

SN: 50059-UP

8шт.

13

01643-31645

WASHER

SN: 50059-UP

16шт.

14

01580-11613

NUT

SN: 50059-UP

8шт.

Выбрано товаров: 16