Запчасти Komatsu WA1200-3 ЗАДН. РАМА (ЭКСТРЕНН. РУЛЕВ. УПРАВЛЕНИЕ) (НАСОС REPLACE) (/)(№79-) ОСНОВН. КОМПОНЕНТЫ И РЕМКОМПЛЕКТЫ

Схема запчастей Komatsu WA1200-3 - ЗАДН. РАМА (ЭКСТРЕНН. РУЛЕВ. УПРАВЛЕНИЕ) (НАСОС REPLACE) (/)(№79-) ОСНОВН. КОМПОНЕНТЫ И РЕМКОМПЛЕКТЫ
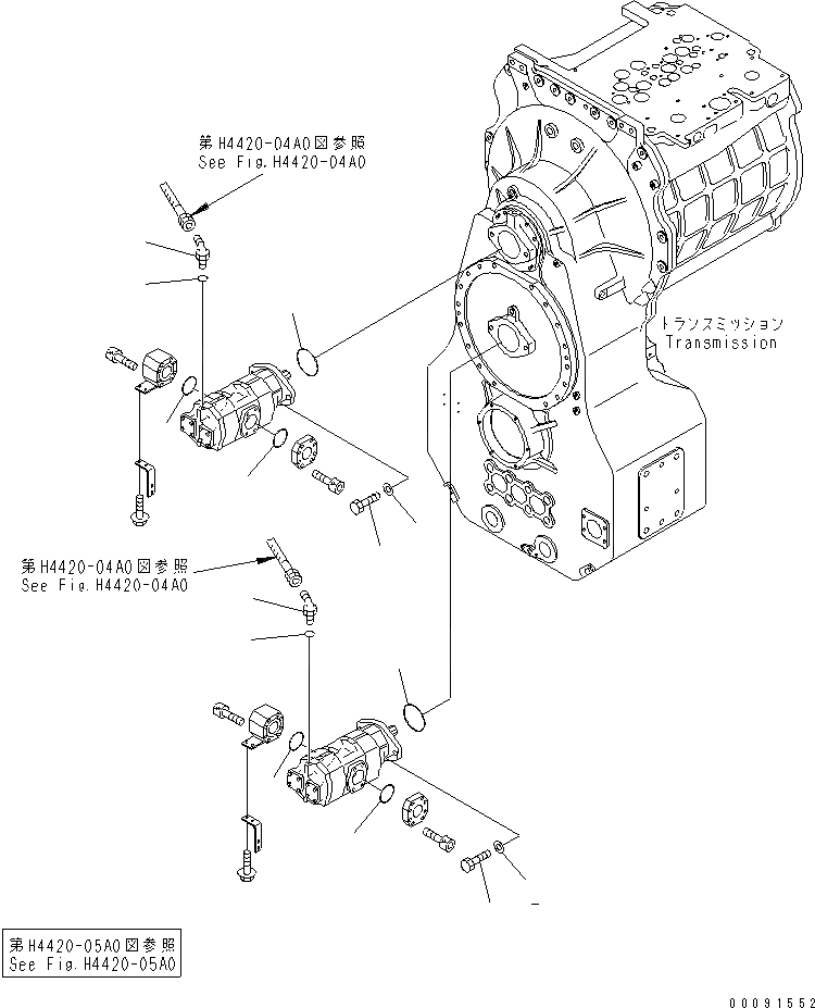
1
1
2
2
3
3
4
4
5
5
6
6
7
7
FIT
1:1
100%

Артикул

Название

Примечание

Количество

|$2

42C-87-05030

SERVICE KIT,EMERGENCY STEERING

SN: 50079-UP

1шт.

|$$2

THIS ASSEMBLY CONSISTS OF ALL PARTS SHOWN IN FIGS.Y0000-R0048 TO Y0000-R0049 .

-1шт.

1

01010-81650

BOLT

SN: 50079-UP

4шт.

2

01643-31645

WASHER

SN: 50079-UP

4шт.

3

07000-F2135

O-RING

SN: 50079-UP

2шт.

4

07000-F2070

O-RING

SN: 50079-UP

2шт.

5

07000-F2070

O-RING

SN: 50079-UP

2шт.

6

07235-10315

ELBOW

SN: 50079-UP

2шт.

7

07002-22034

O-RING

SN: 50079-UP

2шт.

Выбрано товаров: 9