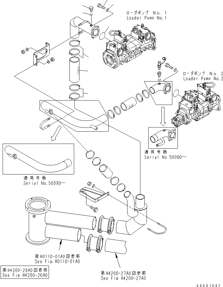
Запчасти Komatsu WA1200-3 ЗАДН. РАМА (ПОГРУЗ. НАСОС (NO. НАСОС) (ГИДРАВЛ ВСАСЫВ. ПОГРУЗ. ЛИНИЯ НАСОСА)(№79-) ОСНОВН. КОМПОНЕНТЫ И РЕМКОМПЛЕКТЫ

Схема запчастей Komatsu WA1200-3 - ЗАДН. РАМА (ПОГРУЗ. НАСОС (NO. НАСОС) (ГИДРАВЛ ВСАСЫВ. ПОГРУЗ. ЛИНИЯ НАСОСА)(№79-) ОСНОВН. КОМПОНЕНТЫ И РЕМКОМПЛЕКТЫ
1
2
3
4
5
6
7
7
FIT
1:1
100%

Артикул

Название

Примечание

Количество

|$2

42C-62-05210

SERVICE KIT

SN: 50079-UP

1шт.

|$$2

THIS ASSEMBLY CONSISTS OF ALL PARTS SHOWN IN FIGS.Y0000-R0080 TO Y0000-R0083 .

-1шт.

1

01010-81240

BOLT

SN: 50079-UP

4шт.

2

01643-31232

WASHER

SN: 50079-UP

4шт.

3

07000-F2095

O-RING

SN: 50079-UP

1шт.

4

07040-11812

PLUG

SN: 50079-UP

1шт.

5

07002-21823

O-RING

SN: 50079-UP

1шт.

6

42C-62-14590

HOSE

SN: 50079-UP

1шт.

7

209-62-41341

CLAMP

SN: 50079-UP

4шт.

Выбрано товаров: 9