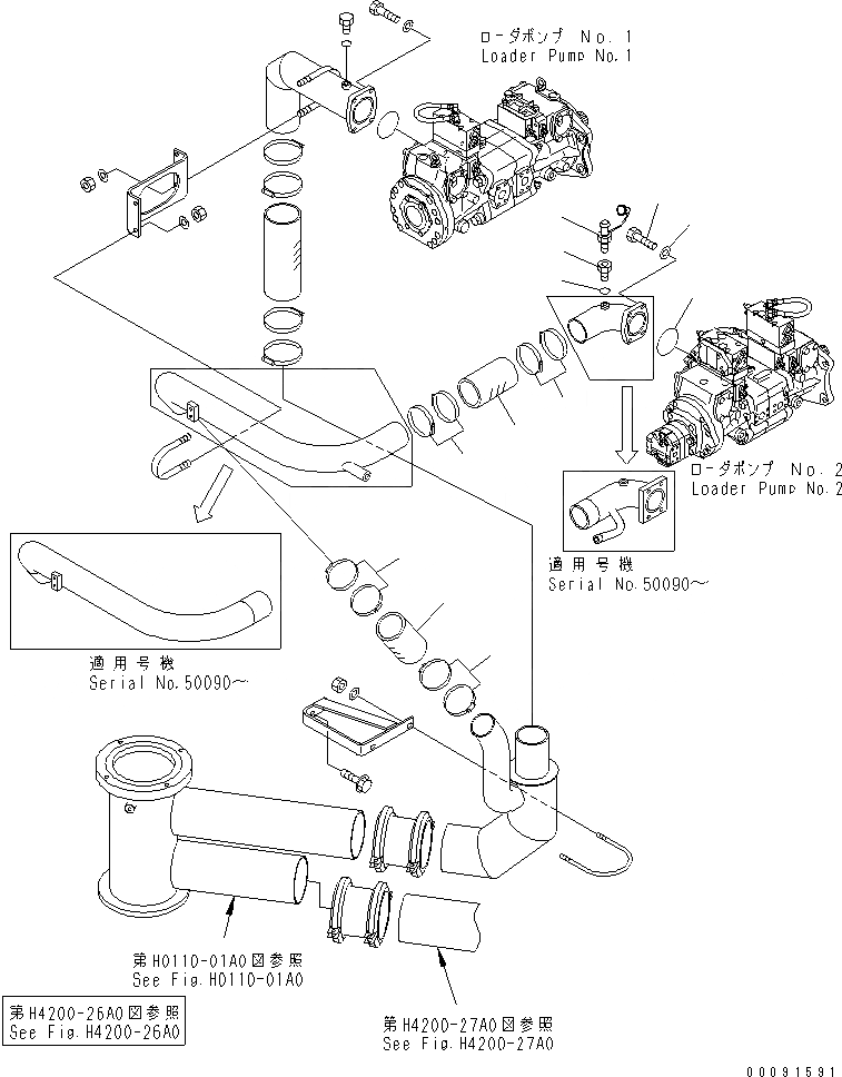
Запчасти Komatsu WA1200-3 ЗАДН. РАМА (ПОГРУЗ. НАСОС (NO. НАСОС) (ГИДРАВЛ ВСАСЫВ. ПОГРУЗ. PU MP ЛИНИЯ)(№79-) ОСНОВН. КОМПОНЕНТЫ И РЕМКОМПЛЕКТЫ

Схема запчастей Komatsu WA1200-3 - ЗАДН. РАМА (ПОГРУЗ. НАСОС (NO. НАСОС) (ГИДРАВЛ ВСАСЫВ. ПОГРУЗ. PU MP ЛИНИЯ)(№79-) ОСНОВН. КОМПОНЕНТЫ И РЕМКОМПЛЕКТЫ
1
1
2
2
2
2
3
4
5
6
7
8
FIT
1:1
100%

Артикул

Название

Примечание

Количество

|$2

42C-62-05220

SERVICE KIT

SN: 50079-UP

1шт.

|$$2

THIS ASSEMBLY CONSISTS OF ALL PARTS SHOWN IN FIGS.Y0000-R0084 TO Y0000-R0087 .

-1шт.

1

07260-08722

HOSE

SN: 50079-UP

2шт.

2

20Y-62-51671

CLAMP

SN: 50079-UP

8шт.

3

01010-81240

BOLT

SN: 50079-UP

4шт.

4

01643-31232

WASHER

SN: 50079-UP

4шт.

5

07000-F2080

O-RING

SN: 50079-UP

1шт.

6

42C-62-14610

PLUG

SN: 50079-UP

1шт.

7

07002-21823

O-RING

SN: 50079-UP

1шт.

8

195-49-36120

NIPPLE

SN: 50079-UP

1шт.

Выбрано товаров: 10