Запчасти Komatsu WA1200-3 ЗАДН. РАМА (ТОПЛИВН. ОХЛАДИТЕЛЬ) (НАСОС ЭЛЕМЕНТЫ КРЕПЛЕНИЯ)(№79-) ОСНОВН. КОМПОНЕНТЫ И РЕМКОМПЛЕКТЫ

Схема запчастей Komatsu WA1200-3 - ЗАДН. РАМА (ТОПЛИВН. ОХЛАДИТЕЛЬ) (НАСОС ЭЛЕМЕНТЫ КРЕПЛЕНИЯ)(№79-) ОСНОВН. КОМПОНЕНТЫ И РЕМКОМПЛЕКТЫ
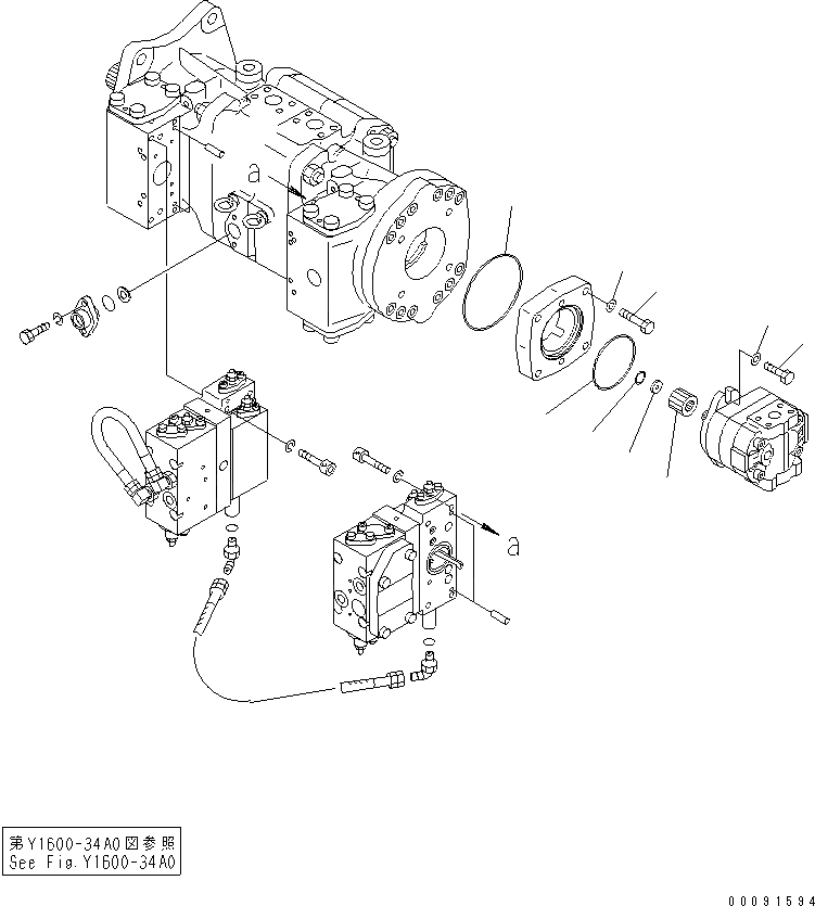
1
2
3
4
5
6
7
8
9
FIT
1:1
100%

Артикул

Название

Примечание

Количество

|$2

42C-62-05230

SERVICE KIT

SN: 50079-UP

1шт.

|$$2

THIS ASSEMBLY CONSISTS OF ALL PARTS SHOWN IN FIGS.Y0000-R0089 TO Y0000-R0090 .

-1шт.

1

07000-E2120

O-RING

SN: 50079-UP

1шт.

2

01010-81050

BOLT

SN: 50079-UP

4шт.

3

01643-31032

WASHER

SN: 50079-UP

4шт.

4

07000-E2085

O-RING

SN: 50079-UP

1шт.

5

708-45-12810

BOSS

SN: 50079-UP

1шт.

6

708-45-12820

COLLAR

SN: 50079-UP

1шт.

7

708-45-12830

RING

SN: 50079-UP

1шт.

8

01010-81030

BOLT

SN: 50079-UP

2шт.

9

01643-31032

WASHER

SN: 50079-UP

2шт.

Выбрано товаров: 11