Запчасти Komatsu WA1200-3 ТРАНСМИССИЯ WIRNING Э/ПРОВОДКА И ТРУБЫ (/) ГИДРОТРАНСФОРМАТОР И ТРАНСМИССИЯ

Схема запчастей Komatsu WA1200-3 - ТРАНСМИССИЯ WIRNING Э/ПРОВОДКА И ТРУБЫ (/) ГИДРОТРАНСФОРМАТОР И ТРАНСМИССИЯ
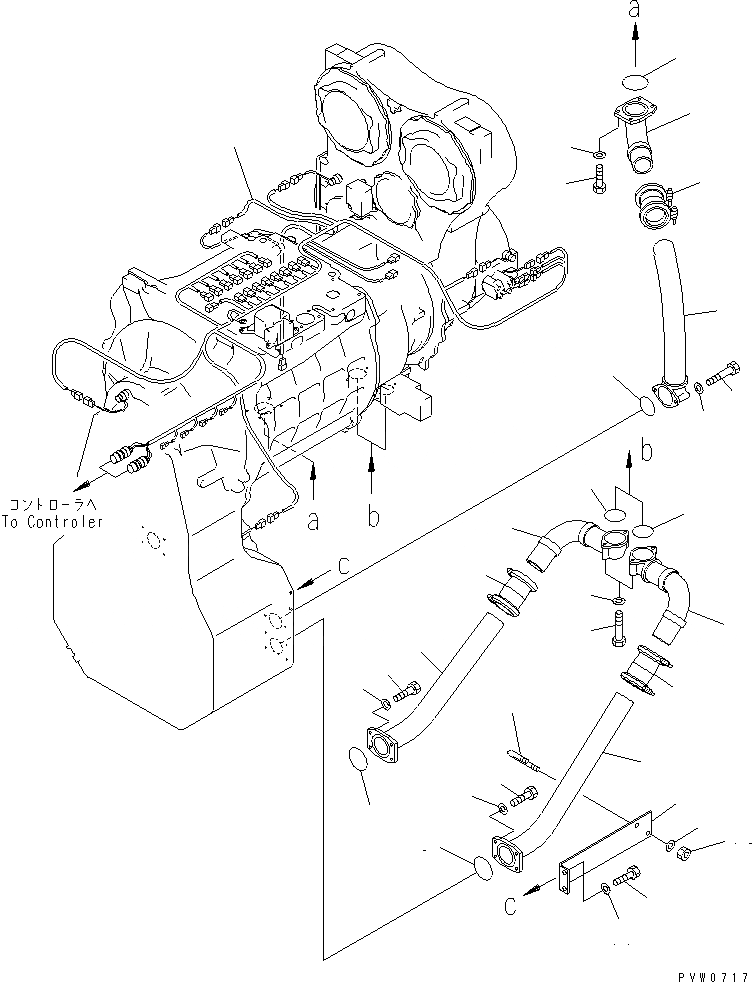
1
2
3
4
5
6
7
8
8
8
9
9
9
10
10
10
11
11
11
12
12
13
13
13
13
13
13
14
15
16
17
18
FIT
1:1
100%

Артикул

Название

Примечание

Количество

|1

42C-13-10004

TORQFLOW ASS'Y

SN: (1021)-UP

1шт.

|1

42C-13-10003

TORQFLOW ASS'Y

SN: (1014)-(1020)

1шт.

|1

42C-13-10002

TORQFLOW ASS'Y

SN: 50001-(1013)

1шт.

|$$4

THESE ASSEMBLIES CONSIST OF ALL PARTS SHOWN IN FIGS.F4310-51A0 TO F4320-72A0.

-1шт.

|1

42C-15-11003

TRANSMISSION ASS'Y

SN: (1014)-UP

1шт.

|1

42C-15-11002

TRANSMISSION ASS'Y

SN: 50001-(1013)

1шт.

|$$7

THESE ASSEMBLIES CONSIST OF ALL PARTS SHOWN IN FIGS.F4320-51A0 TO F4320-72A0.

-1шт.

1

42C-15-15852

WIRING HARNESS

SN: 50001-UP

1шт.

2

42C-15-13850

TUBE

SN: 50001-UP

1шт.

3

42C-15-13860

TUBE

SN: 50001-UP

1шт.

4

42C-15-14210

TUBE

SN: 50001-UP

1шт.

5

42C-15-14220

TUBE

SN: 50001-UP

1шт.

6

42C-15-13870

TUBE

SN: 50001-UP

1шт.

7

42C-15-13881

TUBE

SN: (1009)-UP

1шт.

|7

42C-15-13880

TUBE

SN: 50001-(1008)

1шт.

8

07000-72105

O-RING (K5)

SN: 50001-UP

3шт.

9

07000-72090

O-RING (K5)

SN: 50001-UP

3шт.

10

07332-03000

COUPLING

SN: 50001-UP

3шт.

11

01010-81240

BOLT

SN: 50001-UP

12шт.

12

01011-81200

BOLT

SN: 50001-UP

6шт.

13

01643-31232

WASHER

SN: 50001-UP

20шт.

14

42C-15-13840

BRACKET

SN: 50001-UP

1шт.

15

07283-38973

CLIP

SN: 50001-UP

1шт.

16

01597-01211

NUT

SN: 50001-UP

2шт.

17

01643-31645

WASHER

SN: 50001-UP

2шт.

18

01010-61640

BOLT

SN: 50001-UP

2шт.

Выбрано товаров: 26