Запчасти Komatsu WA1200-3 БЛОКИР. BAR И КРЫШКА(ДЛЯ ПЕРЕДН. И ЗАДН. КРЫШКА) ОСНОВНАЯ РАМА И ЕЕ ЧАСТИ

Схема запчастей Komatsu WA1200-3 - БЛОКИР. BAR И КРЫШКА(ДЛЯ ПЕРЕДН. И ЗАДН. КРЫШКА) ОСНОВНАЯ РАМА И ЕЕ ЧАСТИ
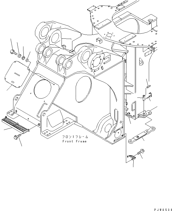
1
2
3
4
5
5
6
7
8
9
10
11
12
13
FIT
1:1
100%

Артикул

Название

Примечание

Количество

1

42C-46-14110

PLATE

SN: 50001-UP

1шт.

2

42C-46-14120

PIN

SN: 50001-UP

2шт.

3

04025-01080

PIN,SPRING

SN: 50001-UP

2шт.

4

569-74-61470

PIN,LINCH

SN: 50001-UP

2шт.

5

42C-46-14210

STEP

SN: 50001-UP

2шт.

6

01435-01220

BOLT

SN: 50001-UP

4шт.

7

42C-46-11310

COVER

SN: 50001-UP

1шт.

8

01435-01240

BOLT

SN: 50001-UP

4шт.

9

427-54-11860

SPACER

SN: 50001-UP

4шт.

10

415-46-11380

CUSHION

SN: 50001-UP

4шт.

11

01640-22232

WASHER

SN: 50001-UP

4шт.

12

42C-46-14220

STEP

SN: 50001-UP

1шт.

13

01435-01225

BOLT

SN: 50001-UP

5шт.

Выбрано товаров: 0