Запчасти Komatsu WA1200-3 ПОЛ SUB (РУЛЕВ. УПРАВЛЕНИЕ И УПРАВЛ-Е ТРАНСМИССИЕЙ)(РЫЧАГ УПРАВЛ-Я)(№-) КАБИНА ОПЕРАТОРА И СИСТЕМА УПРАВЛЕНИЯ

Схема запчастей Komatsu WA1200-3 - ПОЛ SUB (РУЛЕВ. УПРАВЛЕНИЕ И УПРАВЛ-Е ТРАНСМИССИЕЙ)(РЫЧАГ УПРАВЛ-Я)(№-) КАБИНА ОПЕРАТОРА И СИСТЕМА УПРАВЛЕНИЯ
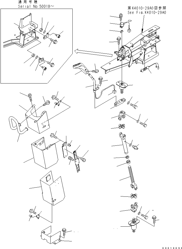
1
2
3
4
5
6
7
8
9
10
11
12
13
14
15
16
17
18
19
20
21
21
22
22
23
23
24
25
26
27
28
29
30
31
32
33
34
35
36
37
38
39
40
41
42
42
43
43
44
45
46
46
47
47
48
48
49
49
50
50
FIT
1:1
100%

Артикул

Название

Примечание

Количество

1

42A-06-15140

SWITCH

SN: 50001-UP

1шт.

2

22T-05-19120

POTENTIOMETER

SN: 50001-UP

1шт.

|2

08055-00381

CONNECTOR

SN: 50001-UP

1шт.

3

01023-60414

SCREW

SN: 50001-UP

2шт.

4

427-S33-3190

SPRING

SN: 50011-UP

1шт.

|4

142-43-13180

SPRING

SN: 50001-50010

1шт.

5

42C-S33-1132

KNOB ASS'Y

SN: .-UP

1шт.

|5

42C-S33-1131

KNOB ASS'Y

SN: 50011-.

1шт.

|5

42C-S33-1130

KNOB ASS'Y

SN: 50001-50010

1шт.

|5

42C-S33-1111

KNOB

SN: .-UP

1шт.

|5

42C-S33-1150

CAP

SN: .-UP

1шт.

|5

42C-S33-1160

CASE,DETENT

SN: .-UP

1шт.

|5

42C-S33-1170

GUIDE

SN: .-UP

3шт.

|5

42C-S33-1180

O-RING

SN: .-UP

1шт.

|5

42C-S33-1110

KNOB

SN: 50001-.

1шт.

6

42C-S33-1121

LEVER

SN: 50011-UP

1шт.

|6

42C-S33-1120

LEVER

SN: 50001-50010

1шт.

7

08055-11211

BODY

SN: 50001-UP

1шт.

|7

08055-11230

HOLDER

SN: 50001-UP

1шт.

|7

08055-10040

CONNECTOR

SN: 50001-UP

10шт.

|7

08055-10060

CONNECTOR

SN: 50001-UP

10шт.

|7

08055-10070

GROMMET

SN: 50001-UP

2шт.

8

01023-20610

SCREW

SN: 50001-UP

2шт.

9

01435-00816

BOLT

SN: 50001-UP

2шт.

10

42C-40-12320

JOINT ASS'Y

SN: 50001-UP

1шт.

11

01435-01020

BOLT

SN: 50001-UP

2шт.

12

42C-40-12310

PLATE

SN: 50001-UP

1шт.

13

01010-80830

BOLT

SN: 50001-UP

1шт.

14

01643-30823

WASHER

SN: 50001-UP

1шт.

15

42C-40-12131

COVER

SN: 50018-UP

1шт.

|15

42C-40-12130

COVER

SN: 50001-50017

1шт.

16

01252-80616

BOLT

SN: 50001-UP

4шт.

17

42C-40-12330

GUARD

SN: 50001-UP

1шт.

18

01435-01014

BOLT

SN: 50001-UP

2шт.

19

42C-40-12350

COVER

SN: 50001-UP

1шт.

20

42C-40-12360

COVER

SN: 50001-UP

1шт.

21

42C-40-12410

PLATE

SN: 50001-UP

4шт.

22

01435-00612

BOLT

SN: 50001-UP

8шт.

23

42C-40-12390

BUSHING

SN: 50001-UP

4шт.

24

42C-40-12380

BRACKET

SN: 50001-UP

2шт.

25

421-54-22770

NUT

SN: 50001-UP

4шт.

26

01435-00620

BOLT

SN: 50001-UP

4шт.

27

42C-40-12340

RAIL,SLIDER

SN: 50001-UP

2шт.

28

01236-40406

SCREW

SN: 50001-UP

4шт.

29

01023-10408

SCREW

SN: 50001-UP

8шт.

30

42C-40-12370

COVER

SN: 50001-UP

1шт.

31

01435-01020

BOLT

SN: 50001-UP

4шт.

|32

42C-40-12480

JOINT ASS'Y

SN: 50001-UP

1шт.

|32

421-40-12571

JOINT ASS'Y

SN: 50001-UP

1шт.

32

421-40-12511

SPIDER ASS'Y

SN: 50001-UP

1шт.

33

01643-30623

WASHER

SN: 50001-UP

1шт.

34

07020-00001

FITTING,GREASE

SN: 50001-UP

1шт.

35

421-40-12521

YOKE

SN: 50001-UP

1шт.

36

421-40-12531

YOKE

SN: 50001-UP

1шт.

37

421-40-12550

SEAL

SN: 50001-UP

1шт.

38

421-40-12560

COVER

SN: 50001-UP

1шт.

|39

421-40-12581

JOINT ASS'Y

SN: 50001-UP

1шт.

39

421-40-12542

YOKE

SN: 50001-UP

1шт.

40

421-40-12511

SPIDER ASS'Y

SN: 50001-UP

1шт.

41

421-40-12531

YOKE

SN: 50001-UP

1шт.

42

01050-51040

BOLT

SN: 50001-UP

2шт.

43

01602-21030

WASHER,SPRING

SN: 50001-UP

2шт.

44

42C-40-12530

JOINT ASS'Y

SN: 50001-UP

1шт.

45

01435-01020

BOLT

SN: 50001-UP

2шт.

46

427-40-22150

PLATE

SN: 50018-UP

2шт.

47

01435-00820

BOLT

SN: 50018-UP

4шт.

48

421-43-18711

BEARING

SN: 50018-UP

2шт.

49

01643-30623

WASHER

SN: 50018-UP

4шт.

50

01580-10605

NUT

SN: 50018-UP

2шт.

Выбрано товаров: 0