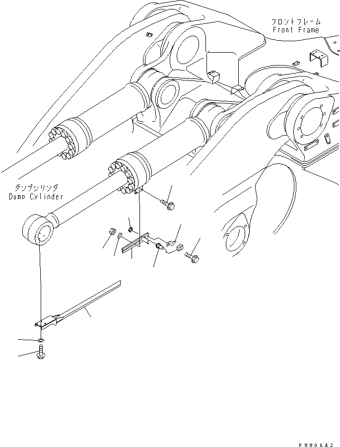
Запчасти Komatsu WA1200-3 КОВШ ПОЗИЦИОНЕР КАБИНА ОПЕРАТОРА И СИСТЕМА УПРАВЛЕНИЯ

Схема запчастей Komatsu WA1200-3 - КОВШ ПОЗИЦИОНЕР КАБИНА ОПЕРАТОРА И СИСТЕМА УПРАВЛЕНИЯ
1
1
2
3
4
5
6
7
8
9
10
FIT
1:1
100%

Артикул

Название

Примечание

Количество

1

56B-06-15610

SWITCH,PROXIMITY

SN: 50001-UP

1шт.

2

42C-44-11110

SUPPORT

SN: 50001-UP

1шт.

3

01010-81225

BOLT

SN: 50001-UP

4шт.

4

01643-31232

WASHER

SN: 50001-UP

4шт.

5

427-43-19233

PLATE

SN: 50001-UP

1шт.

6

01643-31232

WASHER

SN: 50001-UP

2шт.

7

01596-01211

NUT

SN: 50001-UP

2шт.

8

01435-01240

BOLT

SN: 50001-UP

2шт.

9

08193-21012

CLIP

SN: 50001-UP

1шт.

10

01435-01020

BOLT

SN: 50001-UP

1шт.

Выбрано товаров: 10