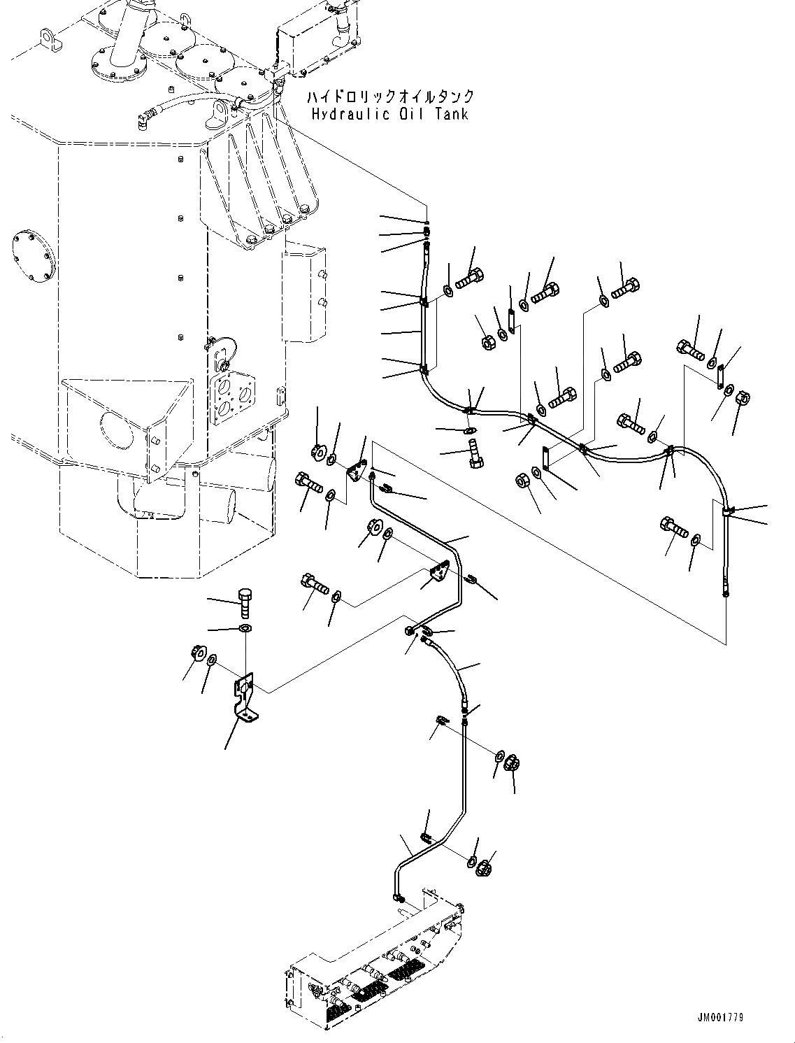
Запчасти Komatsu WA1200-6 SERVICE ЦЕНТР., PRESSURE RELEASE ТРУБЫ (№-) SERVICE ЦЕНТР.

Схема запчастей Komatsu WA1200-6 - SERVICE ЦЕНТР., PRESSURE RELEASE ТРУБЫ (№-) SERVICE ЦЕНТР.
3
1
2
6
5
4
6
5
14
15
9
10
11
13
12
8
7
13
12
6
5
7
8
22
23
21
25
24
18
23
23
29
22
32
34
33
33
34
32
30
31
26
25
24
28
27
20
19
19
20
6
5
9
10
11
5
6
7
8
6
5
17
16
6
5
9
10
11
13
12
7
8
18
25
24
FIT
1:1
100%

Артикул

Название

Примечание

Количество

1

02781-00313

Union

SN: 60001-@

1шт.

2

02896-21009

O-ring

SN: 60001-@

1шт.

3

07002-21823

O-ring

SN: 60001-@

1шт.

4

02765-00335

Hose, Face Seal Type

SN: 60001-@

1шт.

5

04434-52512

Clip

SN: 60001-@

7шт.

6

07095-20318

Cushion

SN: 60001-@

7шт.

7

01010-81225

Bolt

SN: 60001-60001

4шт.

8

01643-31232

Washer

SN: 60001-60001

4шт.

9

01580-11210

Nut

SN: 60001-60001

3шт.

10

01643-31232

Washer

SN: 60001-60001

3шт.

11

283-62-39220

Plate, T=3.2mm

SN: 60001-60001

3шт.

12

01010-81030

Bolt

SN: 60001-60001

3шт.

13

01643-31032

Washer

SN: 60001-60001

3шт.

14

01010-81220

Bolt

SN: 60001-@

2шт.

15

01643-31232

Washer

SN: 60001-@

2шт.

16

01010-81230

Bolt

SN: 60001-@

1шт.

17

01643-31232

Washer

SN: 60001-@

1шт.

18

42C-Z89-1560

Plate

SN: 60001-@

2шт.

19

01010-81225

Bolt

SN: 60001-@

4шт.

20

01643-31232

Washer

SN: 60001-@

4шт.

21

42C-62-16481

Tube

SN: 60001-@

1шт.

22

02896-21009

O-ring

SN: 60001-@

2шт.

23

07283-31529

Clip, Pipe

SN: 60001-@

3шт.

24

01596-00807

Nut

SN: 60001-@

6шт.

25

01643-30823

Washer

SN: 60001-@

6шт.

26

42C-Z89-1660

Bracket

SN: 60001-@

1шт.

27

01010-81230

Bolt

SN: 60001-@

2шт.

28

01643-31232

Washer

SN: 60001-@

2шт.

29

02765-003A4

Hose, Face Seal Type

SN: 60001-@

1шт.

30

42C-62-16490

Tube

SN: 60001-@

1шт.

31

02896-21009

O-ring

SN: 60001-60001

1шт.

32

07283-31529

Clip, Pipe

SN: 60001-@

2шт.

33

01596-00807

Nut

SN: 60001-@

4шт.

34

01643-30823

Washer

SN: 60001-@

4шт.

Выбрано товаров: 34