Запчасти Komatsu WA1200-6 ЗАДН. ЭЛЕКТРИЧ. ПРОВОДКА, ДВИГАТЕЛЬ ПРОВОДКА КРЕПЛЕНИЕ (/) (№-) ЗАДН. ЭЛЕКТРИЧ. ПРОВОДКА, ХОЛОДН. AREA СПЕЦ-ЯIFICATION A (- DEG C), ЗАДН.VIEW МОНИТОР

Схема запчастей Komatsu WA1200-6 - ЗАДН. ЭЛЕКТРИЧ. ПРОВОДКА, ДВИГАТЕЛЬ ПРОВОДКА КРЕПЛЕНИЕ (/) (№-) ЗАДН. ЭЛЕКТРИЧ. ПРОВОДКА, ХОЛОДН. AREA СПЕЦ-ЯIFICATION A (- DEG C), ЗАДН.VIEW МОНИТОР
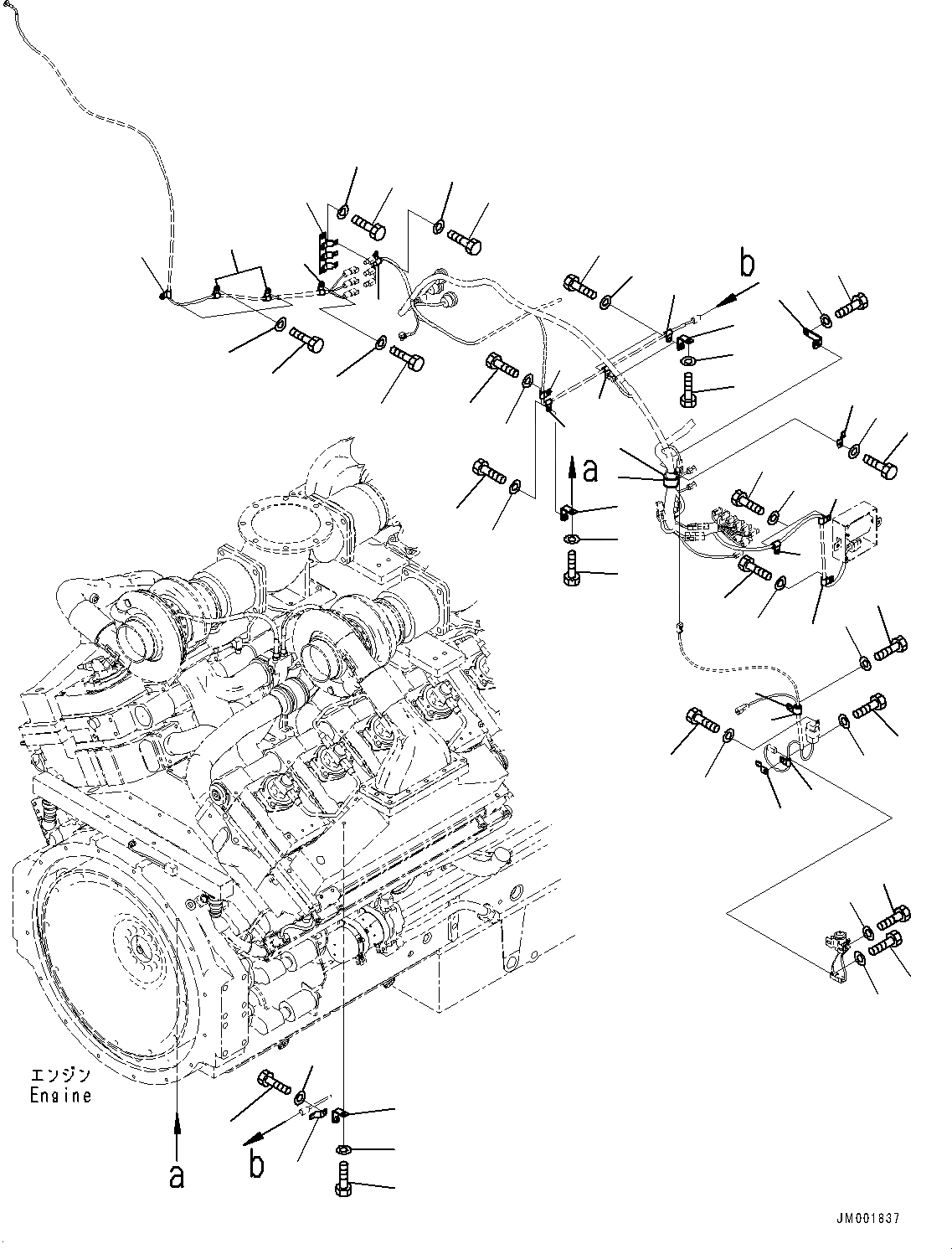
1
2
3
4
5
6
7
8
9
10
11
22
25
26
27
28
29
30
34
35
36
37
40
41
42
23
24
40
38
39
29
30
9
10
11
9
28
28
28
12
13
14
15
16
17
18
19
20
21
17
16
16
17
25
26
27
29
30
31
32
33
26
27
25
FIT
1:1
100%

Артикул

Название

Примечание

Количество

1

426-35-11590

Bracket

SN: 60003-UP

1шт.

2

01010-81020

Bolt

SN: 60003-UP

1шт.

3

01643-31032

Washer

SN: 60003-UP

1шт.

4

208-06-19170

Clip

SN: 60003-UP

1шт.

5

22M-62-13660

Cushion

SN: 60003-UP

1шт.

6

08193-20010

Clip

SN: 60003-UP

1шт.

7

01010-81025

Bolt

SN: 60003-UP

1шт.

8

01643-31032

Washer

SN: 60003-UP

1шт.

9

600-051-2100

Clip

SN: 60003-UP

3шт.

10

01010-81016

Bolt

SN: 60003-UP

3шт.

11

01643-31032

Washer

SN: 60003-UP

3шт.

12

08193-20010

Clip

SN: 60003-UP

1шт.

13

600-051-2080

Clip

SN: 60003-UP

1шт.

14

01010-81016

Bolt

SN: 60003-UP

1шт.

15

01643-31032

Washer

SN: 60003-UP

1шт.

16

01010-80610

Bolt

SN: 60003-UP

4шт.

17

01643-30623

Washer

SN: 60003-UP

4шт.

18

04434-51710

Clip

SN: 60003-UP

1шт.

19

07095-40211

Cushion

SN: 60003-UP

1шт.

20

01010-81016

Bolt

SN: 60003-UP

1шт.

21

01643-31032

Washer

SN: 60003-UP

1шт.

22

600-051-2100

Clip

SN: 60003-UP

2шт.

23

01010-81016

Bolt

SN: 60003-UP

1шт.

24

01643-31032

Washer

SN: 60003-UP

1шт.

25

427-43-11370

Bracket

SN: 60003-UP

4шт.

26

01010-81020

Bolt

SN: 60003-UP

4шт.

27

01643-31032

Washer

SN: 60003-UP

4шт.

28

600-051-2080

Clip

SN: 60003-UP

4шт.

29

01010-81020

Bolt

SN: 60003-UP

4шт.

30

01643-31032

Washer

SN: 60003-UP

4шт.

31

08193-20010

Clip

SN: 60003-UP

1шт.

32

01010-81020

Bolt

SN: 60003-UP

1шт.

33

01643-31032

Washer

SN: 60003-UP

1шт.

34

426-06-32630

Plate

SN: 60003-UP

1шт.

35

01010-81020

Bolt

SN: 60003-UP

1шт.

36

01643-31032

Washer

SN: 60003-UP

1шт.

37

600-051-2100

Clip

SN: 60003-UP

1шт.

38

01010-81016

Bolt

SN: 60003-UP

1шт.

39

01643-31032

Washer

SN: 60003-UP

1шт.

40

600-051-2080

Clip

SN: 60003-UP

3шт.

41

01010-81016

Bolt

SN: 60003-UP

3шт.

42

01643-31032

Washer

SN: 60003-UP

3шт.

Выбрано товаров: 42