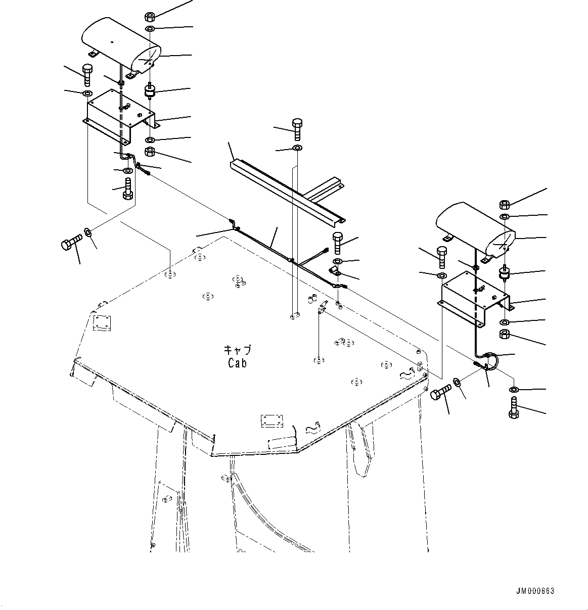
Запчасти Komatsu WA1200-6 СИГНАЛЬН. ЛАМПА (№-) СИГНАЛЬН. ЛАМПА

Схема запчастей Komatsu WA1200-6 - СИГНАЛЬН. ЛАМПА (№-) СИГНАЛЬН. ЛАМПА
2
3
4
5
6
7
8
9
10
11
12
13
14
15
16
17
18
19
20
23
24
1
21
22
4
1
8
7
6
5
9
10
15
16
14
12
13
11
3
2
FIT
1:1
100%

Артикул

Название

Примечание

Количество

1

42C-957-1210

Bracket

SN: 60001-UP

2шт.

2

01010-81220

Bolt

SN: 60001-UP

8шт.

3

01643-31232

Washer

SN: 60001-UP

8шт.

4

08037-02512

Grommet

SN: 60001-UP

2шт.

5

416-S56-1120

Cushion

SN: 60001-UP

8шт.

6

423-957-4120

Beacon Lamp

SN: 60001-UP

2шт.

7

01643-30823

Washer

SN: 60001-UP

8шт.

8

01580-10806

Nut

SN: 60001-UP

8шт.

9

01643-30823

Washer

SN: 60001-UP

8шт.

10

01580-10806

Nut

SN: 60001-UP

8шт.

11

04434-51010

Clip

SN: 60008-UP

2шт.

11

04434-51008

Clip

SN: 60001-60007

2шт.

12

01010-81020

Bolt

SN: 60001-UP

2шт.

13

01643-31032

Washer

SN: 60001-UP

2шт.

14

04434-51010

Clip

SN: 60008-UP

2шт.

14

04434-51008

Clip

SN: 60001-60007

2шт.

15

01010-81020

Bolt

SN: 60001-UP

2шт.

16

01643-31032

Washer

SN: 60001-UP

2шт.

17

600-051-2100

Clip

SN: 60001-UP

3шт.

18

01010-81016

Bolt

SN: 60001-UP

3шт.

19

01643-31032

Washer

SN: 60001-UP

3шт.

20

42C-957-1220

Wiring Harness

SN: 60001-UP

1шт.

21

01010-81016

Bolt

SN: 60001-UP

3шт.

22

01643-31032

Washer

SN: 60001-UP

3шт.

23

42C-957-1231

Cover

SN: 60001-UP

1шт.

24

600-051-2100

Clip

SN: 60001-UP

3шт.

Выбрано товаров: 26