Запчасти Komatsu WA1200-6 ГИДРОТРАНСФОРМАТОР И ТРАНСМИССИЯ, ГИДРОЛИНИЯ ТРАНСМИССИИ (№-) ГИДРОТРАНСФОРМАТОР И ТРАНСМИССИЯ

Схема запчастей Komatsu WA1200-6 - ГИДРОТРАНСФОРМАТОР И ТРАНСМИССИЯ, ГИДРОЛИНИЯ ТРАНСМИССИИ (№-) ГИДРОТРАНСФОРМАТОР И ТРАНСМИССИЯ
1
4
7
14
16
20
35
38
25
26
37
36
34
39
40
3
3
2
3
2
3
6
5
8
9
9
19
9
8
18
17
17
18
19
15
19
15
13
15
14
10
12
12
11
11
12
19
31
32
31
32
30
33
30
21
22
24
23
28
27
29
15
15
14
FIT
1:1
100%

Артикул

Название

Примечание

Количество

|$0

42C-13-20001

Torque Converter and Transmission Assembly

SN: (101201-UP

1шт.

|$1

42C-13-20000

Torque Converter and Transmission Assembly

SN: 60001-(101200

1шт.

|$2

42C-15-21001

Transmission Assembly

SN: (101201-UP

1шт.

|$3

42C-15-21000

Transmission Assembly

SN: 60001-(101200

1шт.

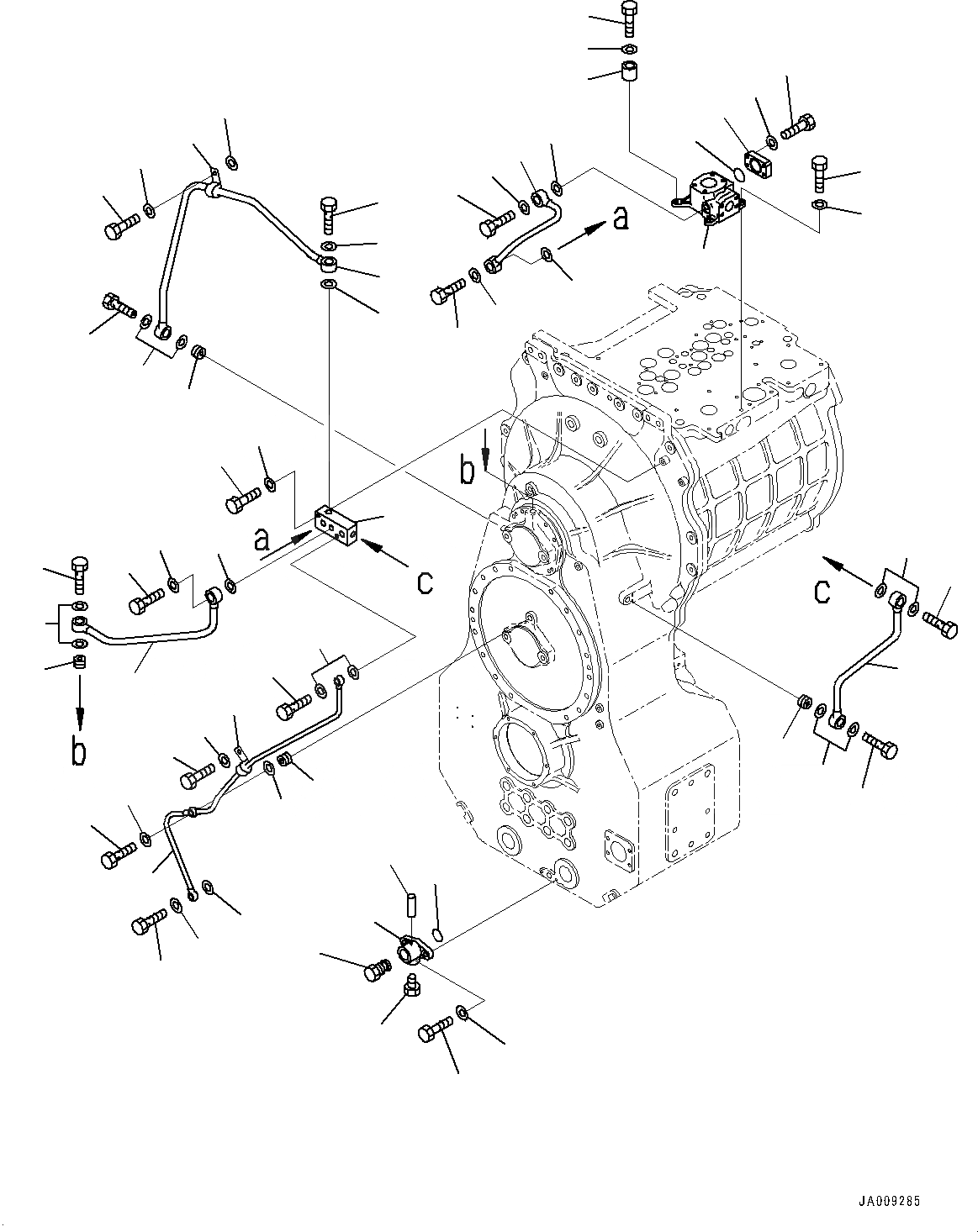
1

42C-15-13970

Tube

SN: 60001-UP

1шт.

2

07206-31520

Bolt, Joint

SN: 60001-UP

2шт.

3

07005-02012

Gasket, (Kit : K05, K06)

SN: 60001-UP

4шт.

4

42C-15-13980

Block

SN: 60001-UP

1шт.

5

01010-81270

Bolt

SN: 60001-UP

2шт.

6

01643-31232

Washer

SN: 60001-UP

2шт.

7

42C-15-13930

Tube

SN: 60001-UP

1шт.

8

07206-31520

Bolt, Joint

SN: 60001-UP

2шт.

9

07005-02012

Gasket, (Kit : K05, K06)

SN: 60001-UP

4шт.

10

42C-15-13960

Tube

SN: 60001-UP

1шт.

11

07206-31520

Bolt, Joint

SN: 60001-UP

2шт.

12

07005-02012

Gasket, (Kit : K05, K06)

SN: 60001-UP

4шт.

13

42C-15-23950

Tube

SN: 60001-UP

1шт.

14

07206-31520

Bolt, Joint

SN: 60001-UP

3шт.

15

07005-02012

Gasket, (Kit : K05, K06)

SN: 60001-UP

6шт.

16

42C-15-13940

Tube

SN: 60001-UP

1шт.

17

07206-31520

Bolt, Joint

SN: 60001-UP

2шт.

18

07005-02012

Gasket, (Kit : K05, K06)

SN: 60001-UP

4шт.

19

714-23-17330

Plug

SN: 60001-UP

4шт.

20

42C-15-13991

Block

SN: 60001-UP

1шт.

21

42C-16-11930

Plate

SN: 60001-UP

1шт.

22

07000-73048

O-ring, (Kit : K05, K06)

SN: 60001-UP

1шт.

23

01010-81040

Bolt

SN: 60001-UP

4шт.

24

01643-31032

Washer

SN: 60001-UP

4шт.

25

01010-81235

Bolt

SN: 60001-UP

3шт.

26

01643-31232

Washer

SN: 60001-UP

3шт.

27

01010-81255

Bolt

SN: 60001-UP

1шт.

28

01643-31232

Washer

SN: 60001-UP

1шт.

29

418-54-13180

Collar

SN: 60001-UP

1шт.

30

04434-51512

Clip

SN: 60001-UP

2шт.

31

01010-81225

Bolt

SN: 60001-UP

2шт.

32

01643-31232

Washer

SN: 60001-UP

2шт.

33

01643-31232

Washer

SN: 60001-UP

1шт.

|$37

426-60-15150

Valve Assembly

SN: 60001-UP

1шт.

34

6693-22-5610

Body

SN: 60001-UP

1шт.

35

6693-22-5620

Valve

SN: 60001-UP

1шт.

36

04020-00514

Pin, Dowel

SN: 60001-UP

1шт.

37

426-60-15160

Plug

SN: 60001-UP

1шт.

38

07000-73028

O-ring, (Kit : K08, K09)

SN: 60001-UP

1шт.

39

01010-81030

Bolt

SN: 60001-UP

2шт.

40

01643-31032

Washer

SN: 60001-UP

2шт.

Выбрано товаров: 0