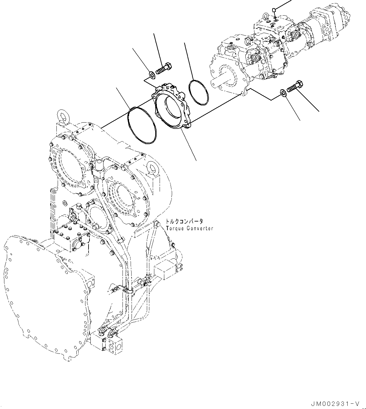
Запчасти Komatsu WA1200-6 ГИДРАВЛ МАСЛ. ОСНОВН. НАСОС, ПЕРЕКЛЮЧАТЕЛЬ НАСОС КРЕПЛЕНИЕ (№-) ГИДРАВЛ МАСЛ. ОСНОВН. НАСОС

Схема запчастей Komatsu WA1200-6 - ГИДРАВЛ МАСЛ. ОСНОВН. НАСОС, ПЕРЕКЛЮЧАТЕЛЬ НАСОС КРЕПЛЕНИЕ (№-) ГИДРАВЛ МАСЛ. ОСНОВН. НАСОС
5
6
1
2
3
7
8
4
FIT
1:1
100%

Артикул

Название

Примечание

Количество

1

07000-F5180

O-ring

SN: 60001-UP

1шт.

2

01010-82065

Bolt

SN: 60001-UP

4шт.

3

01643-32060

Washer

SN: 60001-UP

4шт.

4

232-32-11350

Cap

SN: 60001-UP

1шт.

5

42C-62-24510

Plate

SN: 60001-UP

1шт.

6

07000-F5270

O-ring

SN: 60001-UP

1шт.

7

01010-82065

Bolt

SN: 60001-UP

4шт.

8

01643-32060

Washer

SN: 60001-UP

4шт.

Выбрано товаров: 0