Запчасти Komatsu WA1200-6 ПОЛ, КОНСОЛЬН. БЛОК ПРОВОДКА, ПРАВ. (№-) ПОЛ, С TRAINER СИДЕНЬЕ, VHMS, ORBCOMM

Схема запчастей Komatsu WA1200-6 - ПОЛ, КОНСОЛЬН. БЛОК ПРОВОДКА, ПРАВ. (№-) ПОЛ, С TRAINER СИДЕНЬЕ, VHMS, ORBCOMM
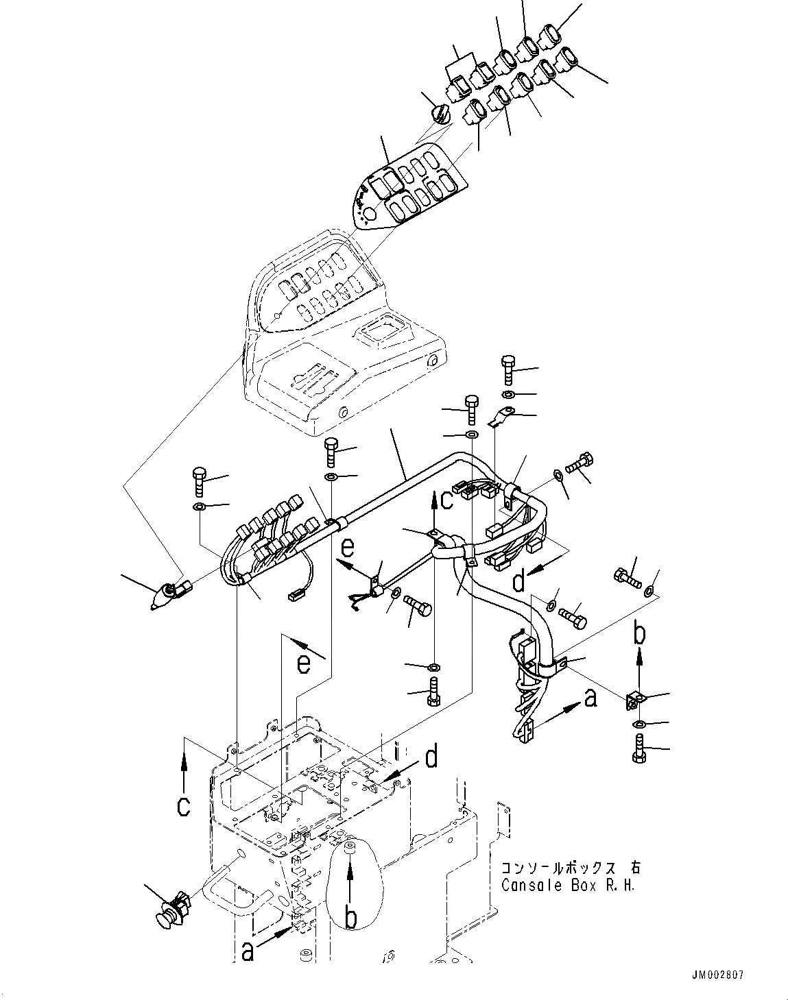
13
22
23
40
41
39
21
24
43
42
19
20
15
17
16
18
27
36
38
37
25
26
14
31
32
30
35
34
11
28
29
33
1
12
2
3
10
4
6
7
5
8
9
FIT
1:1
100%

Артикул

Название

Примечание

Количество

1

42C-93-11611

Plate

SN: 60001-UP

1шт.

2

426-56-21490

Switch, Power Window

SN: 60001-UP

2шт.

3

423-06-45490

Switch, Boom Kick Out

SN: 60001-UP

1шт.

4

423-06-45450

Switch, Auto Grease, Auto Grease

SN: 60001-UP

1шт.

5

42C-06-22262

Switch, Transmission Shift Mode Selector, T/M Shift Auto/Manual

SN: 60001-UP

1шт.

6

425-06-33620

Switch, Rpm Set

SN: 60001-UP

1шт.

7

425-06-33630

Switch, Engine RPM Up/Down

SN: 60001-UP

1шт.

8

423-06-45470

Switch, T/M Cut Off, T/M Cutoff Set

SN: 60001-UP

1шт.

9

423-06-45460

Switch, T/M Cut Off

SN: 60001-UP

1шт.

10

425-06-33610

Switch, Semiauto Digging

SN: 60001-UP

1шт.

11

421-06-36232

Switch, Work Lamp

SN: 60001-UP

1шт.

12

421-06-36241

Knob

SN: 60001-UP

1шт.

13

42C-Z89-2610

Switch, Emergency

SN: 60001-UP

1шт.

14

42C-06-22122

Wiring Harness

SN: 60001-UP

1шт.

14

42C-06-22121

Wiring Harness

SN: 60001-60001

1шт.

15

42A-16-11210

Plate

SN: 60001-UP

1шт.

16

01010-81020

Bolt

SN: 60001-UP

1шт.

17

01643-31032

Washer

SN: 60001-UP

1шт.

18

04434-52711

Clip

SN: 60001-UP

1шт.

19

01010-81016

Bolt

SN: 60001-UP

1шт.

20

01643-31032

Washer

SN: 60001-UP

1шт.

21

04434-52711

Clip

SN: 60001-UP

1шт.

22

01010-81016

Bolt

SN: 60001-UP

1шт.

23

01643-31032

Washer

SN: 60001-UP

1шт.

24

04434-52208

Clip

SN: 60001-UP

1шт.

25

01010-80816

Bolt

SN: 60001-UP

1шт.

26

01643-30823

Washer

SN: 60001-UP

1шт.

27

04434-52208

Clip

SN: 60001-UP

1шт.

28

01010-80816

Bolt

SN: 60001-UP

1шт.

29

01643-30823

Washer

SN: 60001-UP

1шт.

30

04434-51710

Clip

SN: 60001-UP

1шт.

31

01010-80816

Bolt

SN: 60001-UP

1шт.

32

01643-30823

Washer

SN: 60001-UP

1шт.

33

04434-51208

Clip

SN: 60001-UP

1шт.

34

01010-80816

Bolt

SN: 60001-UP

1шт.

35

01643-30823

Washer

SN: 60001-UP

1шт.

36

08193-20010

Clip

SN: 60001-UP

1шт.

37

01010-81016

Bolt

SN: 60001-UP

1шт.

38

01643-31032

Washer

SN: 60001-UP

1шт.

39

04434-50808

Clip

SN: 60001-UP

1шт.

40

01010-80816

Bolt

SN: 60001-UP

1шт.

41

01643-30823

Washer

SN: 60001-UP

1шт.

42

01010-80610

Bolt

SN: 60001-UP

1шт.

43

01643-30623

Washer

SN: 60001-UP

1шт.

Выбрано товаров: 44