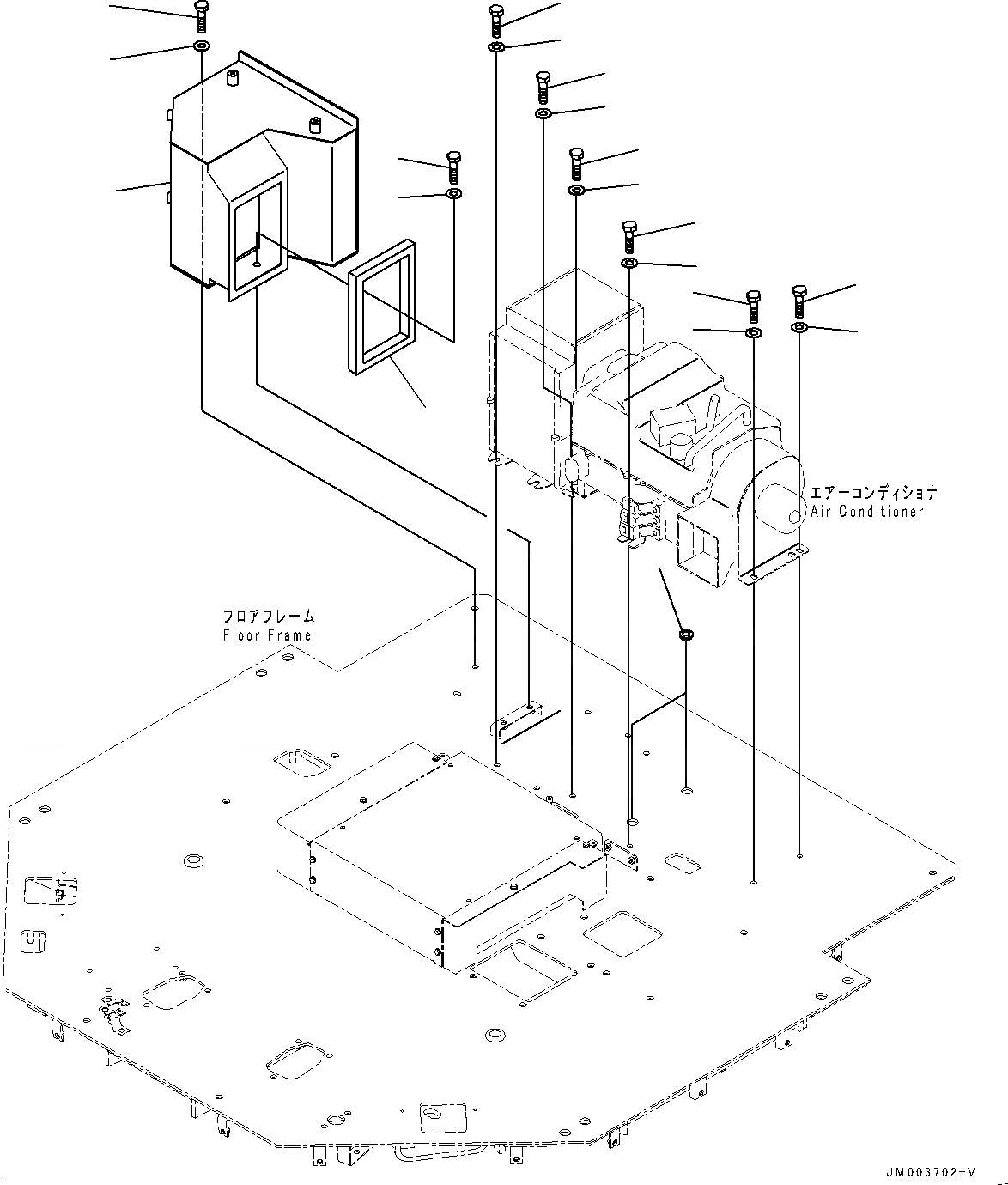
Запчасти Komatsu WA1200-6 ПОЛ, ВОЗДУХОВОДЫ КОРПУС (№-) ПОЛ, С TRAINER СИДЕНЬЕ, VHMS, ORBCOMM

Схема запчастей Komatsu WA1200-6 - ПОЛ, ВОЗДУХОВОДЫ КОРПУС (№-) ПОЛ, С TRAINER СИДЕНЬЕ, VHMS, ORBCOMM
5
5
5
5
5
8
3
3
4
4
6
6
6
6
6
9
7
2
1
FIT
1:1
100%

Артикул

Название

Примечание

Количество

1

42C-07-13891

Duct

SN: 60005-UP

1шт.

2

423-07-23530

Sheet

SN: 60001-UP

1шт.

3

01010-81025

Bolt

SN: 60001-UP

3шт.

4

01643-31032

Washer

SN: 60001-UP

3шт.

5

01010-81025

Bolt

SN: 60001-UP

9шт.

6

01643-31032

Washer

SN: 60001-UP

9шт.

7

421-09-21380

Grommet

SN: 60001-UP

2шт.

8

01010-80620

Bolt

SN: 60001-UP

2шт.

9

01643-30623

Washer

SN: 60001-UP

2шт.

Выбрано товаров: 9