Запчасти Komatsu WA1200-6 ПОЛ, ПРОВОДКА КРЕПЛЕНИЕ (/) (№-) ПОЛ, ЕС БЕЗОПАСН. REGULATION, С ЗАДН.VIEW МОНИТОР, VHMS, ORBCOMM

Схема запчастей Komatsu WA1200-6 - ПОЛ, ПРОВОДКА КРЕПЛЕНИЕ (/) (№-) ПОЛ, ЕС БЕЗОПАСН. REGULATION, С ЗАДН.VIEW МОНИТОР, VHMS, ORBCOMM
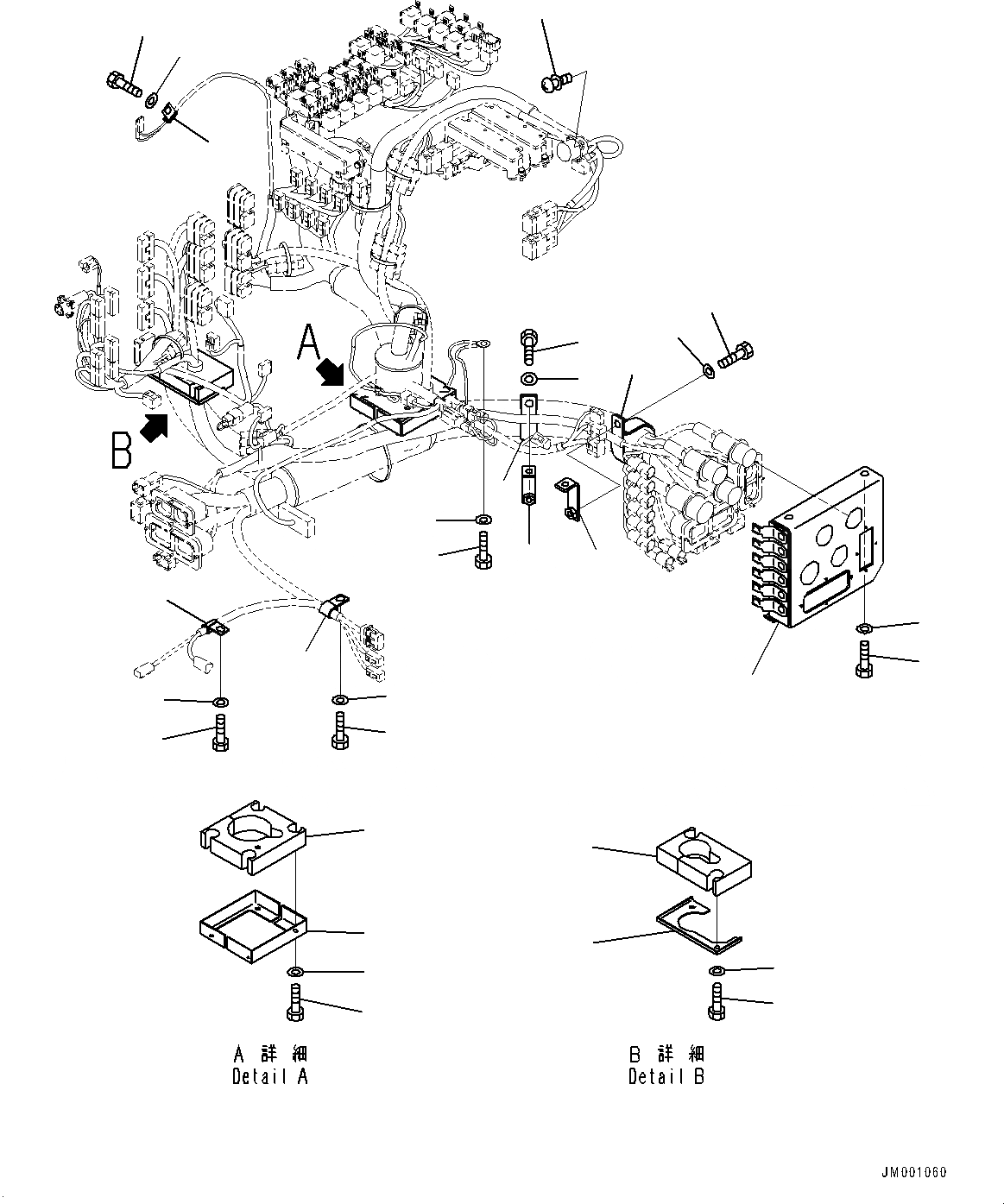
1
2
3
13
14
16
17
18
19
20
21
22
23
24
25
26
27
28
29
30
23
9
8
7
6
5
4
12
10
11
15
FIT
1:1
100%

Артикул

Название

Примечание

Количество

1

21K-03-11190

Clip

SN: 60003-UP

1шт.

2

01010-81025

Bolt

SN: 60003-UP

1шт.

3

01643-31032

Washer

SN: 60003-UP

1шт.

4

04434-51910

Clip

SN: 60003-UP

1шт.

5

01010-81020

Bolt

SN: 60003-UP

1шт.

6

01643-31032

Washer

SN: 60003-UP

1шт.

7

04434-51410

Clip

SN: 60003-UP

1шт.

8

01010-81020

Bolt

SN: 60003-UP

2шт.

9

01643-31032

Washer

SN: 60003-UP

2шт.

10

04434-50610

Clip

SN: 60003-UP

1шт.

11

01010-81020

Bolt

SN: 60003-UP

1шт.

12

01643-31032

Washer

SN: 60003-UP

1шт.

13

01010-81016

Bolt

SN: 60003-UP

1шт.

14

01643-31032

Washer

SN: 60003-UP

1шт.

15

01023-20310

Screw

SN: 60003-UP

4шт.

16

42C-06-22151

Sheet

SN: 60003-UP

1шт.

17

42C-06-11250

Plate

SN: 60003-UP

2шт.

18

01010-80612

Bolt

SN: 60003-UP

4шт.

19

01643-30623

Washer

SN: 60003-UP

4шт.

20

42C-06-22161

Bracket

SN: 60003-UP

1шт.

21

01010-81020

Bolt

SN: 60003-UP

2шт.

22

01643-31032

Washer

SN: 60003-UP

2шт.

23

425-03-11420

Plate

SN: 60003-UP

2шт.

24

21K-03-11190

Clip

SN: 60003-UP

1шт.

25

01010-81020

Bolt

SN: 60003-UP

1шт.

26

01643-31032

Washer

SN: 60003-UP

1шт.

27

42C-06-22171

Sheet

SN: 60003-UP

1шт.

28

42C-06-22181

Plate

SN: 60003-UP

1шт.

29

01010-80612

Bolt

SN: 60003-UP

2шт.

30

01643-30623

Washer

SN: 60003-UP

2шт.

Выбрано товаров: 30