Запчасти Komatsu WA1200-6 ВЕНТИЛЯТОР ОХЛАЖДЕНИЯ ЧАСТИ КОРПУСА, ЗАЩИТА ВЕНТИЛЯТОРА (№-) ВЕНТИЛЯТОР ОХЛАЖДЕНИЯ ЧАСТИ КОРПУСА, ЕС БЕЗОПАСН. REGULATION

Схема запчастей Komatsu WA1200-6 - ВЕНТИЛЯТОР ОХЛАЖДЕНИЯ ЧАСТИ КОРПУСА, ЗАЩИТА ВЕНТИЛЯТОРА (№-) ВЕНТИЛЯТОР ОХЛАЖДЕНИЯ ЧАСТИ КОРПУСА, ЕС БЕЗОПАСН. REGULATION
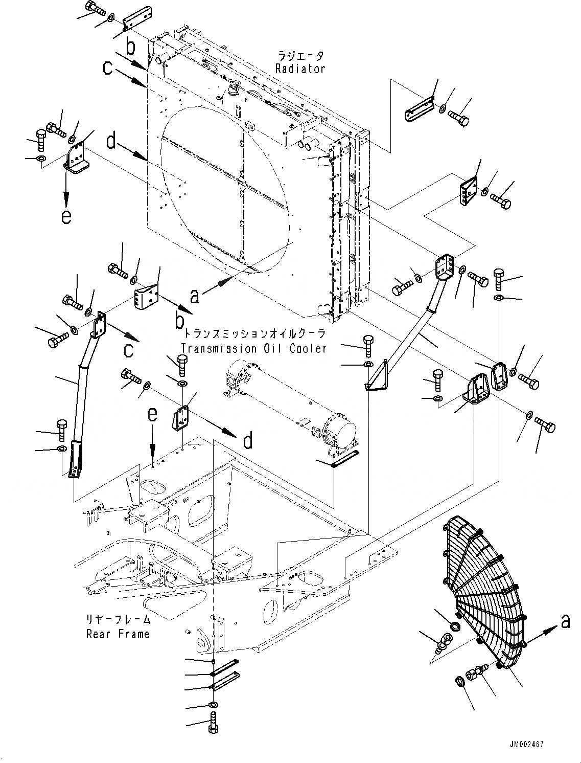
5
7
8
9
10
11
12
17
19
20
22
23
24
25
26
27
28
32
33
34
35
36
8
12
16
14
13
6
15
16
18
20
24
21
23
21
24
24
22
28
27
25
28
29
31
30
29
31
30
26
28
32
2
4
1
1
3
FIT
1:1
100%

Артикул

Название

Примечание

Количество

|$0

42C-03-14550

Net Assembly

SN: 60003-UP

3шт.

1

208-03-72310

Grommet

SN: 60003-UP

8шт.

2

Net

SN: 60003-UP

1шт.

3

01026-A1230

Bolt

SN: 60003-UP

3шт.

4

01026-A1240

Bolt, Sems

SN: 60003-UP

5шт.

5

42C-03-11312

Support

SN: 60003-UP

1шт.

6

01010-82065

Bolt

SN: 60003-UP

3шт.

7

01010-82050

Bolt

SN: 60003-UP

4шт.

8

01643-32060

Washer

SN: 60003-UP

7шт.

9

42C-03-11322

Support

SN: 60003-UP

1шт.

10

01010-82065

Bolt

SN: 60003-UP

3шт.

11

01010-82050

Bolt

SN: 60003-UP

4шт.

12

01643-32060

Washer

SN: 60003-UP

7шт.

13

42C-03-11332

Bracket

SN: 60003-UP

1шт.

14

01010-82075

Bolt

SN: 60003-UP

3шт.

15

01010-82050

Bolt

SN: 60003-UP

4шт.

16

01643-32060

Washer

SN: 60003-UP

7шт.

17

42C-03-11342

Bracket

SN: 60003-UP

1шт.

18

01010-82075

Bolt

SN: 60003-UP

3шт.

19

01010-82050

Bolt

SN: 60003-UP

4шт.

20

01643-32060

Washer

SN: 60003-UP

7шт.

21

42C-03-11352

Bracket

SN: 60003-UP

2шт.

22

01010-82075

Bolt

SN: 60003-UP

4шт.

23

01010-82050

Bolt

SN: 60003-UP

8шт.

24

01643-32060

Washer

SN: 60003-UP

12шт.

25

42C-03-11362

Bracket

SN: 60003-UP

2шт.

26

01010-82045

Bolt

SN: 60003-UP

6шт.

27

01010-82055

Bolt

SN: 60003-UP

6шт.

28

01643-32060

Washer

SN: 60003-UP

12шт.

29

42C-03-15670

Bracket

SN: 60023-UP

2шт.

29

42C-03-11380

Bracket

SN: 60003-UP

2шт.

30

01010-82045

Bolt

SN: 60003-UP

8шт.

31

01643-32060

Washer

SN: 60003-UP

8шт.

32

42C-03-14220

Rubber

SN: 60003-UP

4шт.

33

42C-03-14230

Spacer

SN: 60003-UP

4шт.

34

42C-03-14241

Plate

SN: 60003-UP

2шт.

35

01010-81480

Bolt

SN: 60003-UP

4шт.

36

01643-31445

Washer, Flat

SN: 60003-UP

4шт.

Выбрано товаров: 38