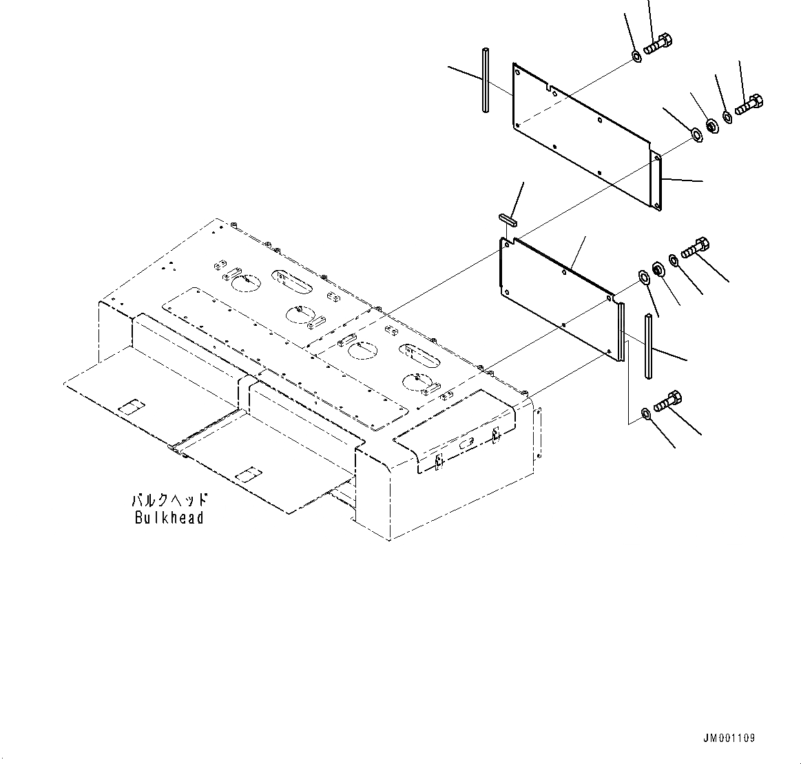
Запчасти Komatsu WA1200-6 BULKHEAD, КРЫШКА(№-) BULKHEAD, EC REGULATION ARRANGEMENT

Схема запчастей Komatsu WA1200-6 - BULKHEAD, КРЫШКА(№-) BULKHEAD, EC REGULATION ARRANGEMENT
3
2
7
4
5
1
6
8
9
10
11
14
15
12
13
17
16
FIT
1:1
100%

Артикул

Название

Примечание

Количество

1

42C-54-16281

Cover, L.H.

SN: 60015-UP

1шт.

2

42C-54-13810

Seal

SN: 60015-UP

1шт.

3

42C-54-13870

Seal

SN: 60015-UP

1шт.

4

01010-81235

Bolt

SN: 60015-UP

2шт.

5

01643-31232

Washer

SN: 60015-UP

2шт.

6

415-46-11370

Spacer

SN: 60015-UP

2шт.

7

415-46-11380

Rubber

SN: 60015-UP

2шт.

8

01010-81225

Bolt

SN: 60015-UP

2шт.

9

01643-31232

Washer

SN: 60015-UP

2шт.

10

42C-54-16291

Cover, R.H.

SN: 60015-UP

1шт.

11

42C-54-13810

Seal

SN: 60015-UP

1шт.

12

01010-81235

Bolt

SN: 60015-UP

5шт.

13

01643-31232

Washer

SN: 60015-UP

5шт.

14

415-46-11370

Spacer

SN: 60015-UP

5шт.

15

415-46-11380

Rubber

SN: 60015-UP

5шт.

16

01010-81225

Bolt

SN: 60015-UP

3шт.

17

01643-31232

Washer

SN: 60015-UP

3шт.

Выбрано товаров: 17