Запчасти Komatsu WA1200-6 ПЕРЕДН. ЭЛЕКТРИЧ. ПРОВОДКА, ОБСЛУЖ. ОСВЕЩЕНИЕ (№-) ПЕРЕДН. ЭЛЕКТРИЧ. ПРОВОДКА

Схема запчастей Komatsu WA1200-6 - ПЕРЕДН. ЭЛЕКТРИЧ. ПРОВОДКА, ОБСЛУЖ. ОСВЕЩЕНИЕ (№-) ПЕРЕДН. ЭЛЕКТРИЧ. ПРОВОДКА
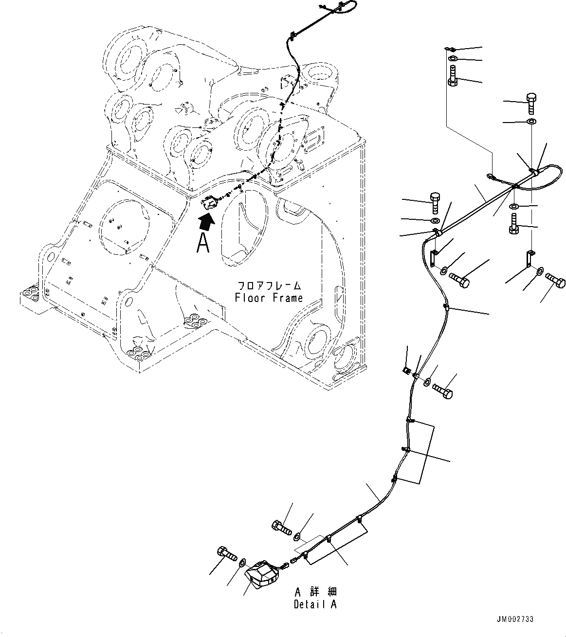
1
2
8
9
10
21
20
19
18
17
16
15
14
13
12
11
10
9
8
7
6
5
4
3
2
1
13
12
11
14
17
18
2
2
FIT
1:1
100%

Артикул

Название

Примечание

Количество

1

42C-Z89-8771

Wiring Harness

SN: 60004-UP

1шт.

2

600-051-2080

Clip

SN: 60004-UP

8шт.

3

01010-81016

Bolt

SN: 60004-UP

2шт.

4

01643-31032

Washer

SN: 60004-UP

2шт.

5

426-06-11570

Bracket

SN: 60004-UP

1шт.

6

01010-81016

Bolt

SN: 60004-UP

1шт.

7

01643-31032

Washer

SN: 60004-UP

1шт.

8

56B-61-14230

Bracket

SN: 60004-UP

2шт.

9

01010-81030

Bolt

SN: 60004-UP

2шт.

10

01643-31032

Washer

SN: 60004-UP

2шт.

11

04434-51710

Clip

SN: 60004-UP

2шт.

12

07095-40211

Cushion

SN: 60004-UP

2шт.

13

01010-81020

Bolt

SN: 60004-UP

2шт.

14

01643-31032

Washer

SN: 60004-UP

2шт.

15

600-051-3080

Clip

SN: 60004-UP

1шт.

16

08193-20012

Clip

SN: 60004-UP

1шт.

17

01010-81220

Bolt

SN: 60004-UP

2шт.

18

01643-31232

Washer

SN: 60004-UP

2шт.

19

423-06-33130

Lamp Assembly, Working

SN: 60004-UP

1шт.

19

421-06-23320

Lens

SN: 60004-UP

1шт.

19

421-06-23330

Bulb, 70watt

SN: 60004-UP

1шт.

20

01010-81016

Bolt

SN: 60004-UP

1шт.

21

01643-31032

Washer

SN: 60004-UP

1шт.

Выбрано товаров: 23