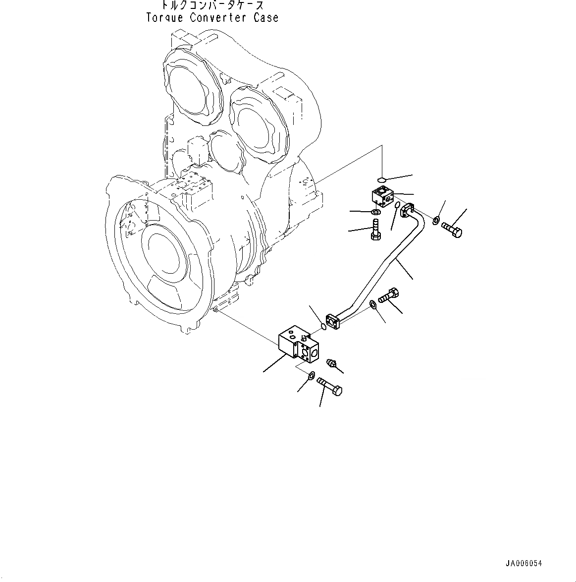
Запчасти Komatsu WA1200-6 ГИДРОТРАНСФОРМАТОР И ТРАНСМИССИЯ, ГИДРОТРАНСФОРМАТОР БЛОК (№-(99)) ГИДРОТРАНСФОРМАТОР И ТРАНСМИССИЯ

Схема запчастей Komatsu WA1200-6 - ГИДРОТРАНСФОРМАТОР И ТРАНСМИССИЯ, ГИДРОТРАНСФОРМАТОР БЛОК (№-(99)) ГИДРОТРАНСФОРМАТОР И ТРАНСМИССИЯ
2
4
3
1
9
10
11
12
6
7
5
8
8
6
7
FIT
1:1
100%

Артикул

Название

Примечание

Количество

|$0

42C-13-20000

Torque Converter and Transmission Assembly

SN: 60001-(101200

1шт.

|$1

42C-13-21000

Torque Converter Assembly

SN: 60001-@

1шт.

1

42C-13-15750

Block

SN: 60001-(101200

1шт.

2

07042-71222

Plug, Taper

SN: 60001-(101200

1шт.

3

01011-81240

Bolt

SN: 60001-@

4шт.

4

01643-31232

Washer

SN: 60001-@

4шт.

5

42C-13-15740

Tube

SN: 60001-@

1шт.

6

01010-81035

Bolt

SN: 60001-(101181

8шт.

7

01643-31032

Washer

SN: 60001-@

8шт.

8

07000-73038

O-ring, (Kit : K02, K03)

SN: 60001-@

2шт.

9

42C-13-15760

Block

SN: 60001-@

1шт.

10

07000-73042

O-ring, (Kit : K02, K03)

SN: 60001-@

1шт.

11

01010-81085

Bolt

SN: 60001-@

4шт.

12

01643-31032

Washer

SN: 60001-@

4шт.

Выбрано товаров: 14